GM Service Manual Online
For 1990-2009 cars only
Makes
🢒
Cadillac
🢒
2007
🢒
STS
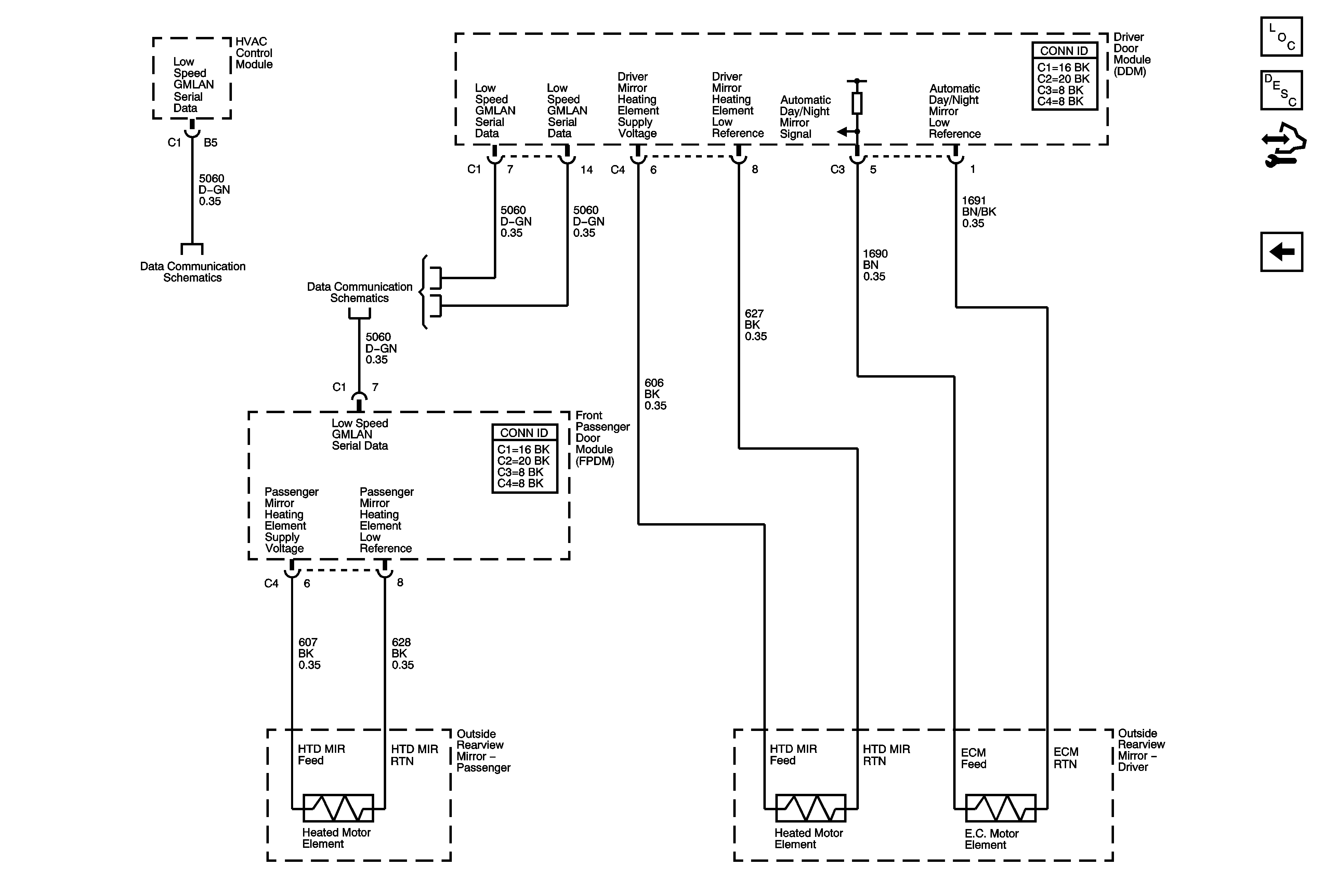
🢒 Heated Mirrors
Heated Mirrors
Heated Mirrors
Master Electrical Component List
Outside Mirror Description and Operation
Control Module References
Front Passenger Side Outside Mirror w/ Memory
GM LAN - Low Speed 2 of 2
GM LAN - Low Speed 1 of 2