GM Service Manual Online
For 1990-2009 cars only
Makes
🢒
Cadillac
🢒
2007
🢒
STS
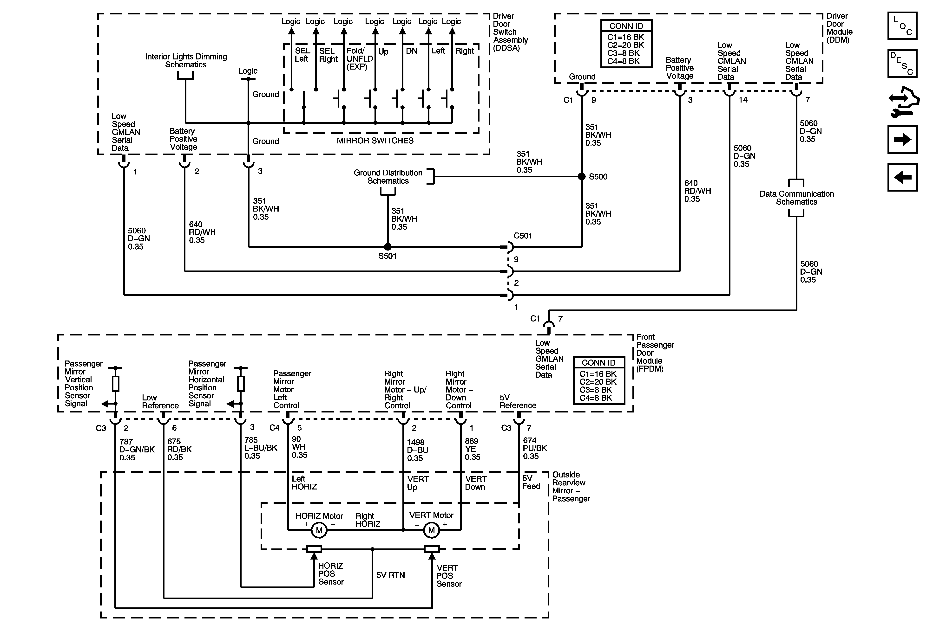
🢒 Front Passenger Side Outside Mirror w/ Memory
Front Passenger Side Outside Mirror w/ Memory
Front Passenger Side Outside Mirror w/Memory
Master Electrical Component List
Outside Mirror Description and Operation
Control Module References
Heated Mirrors
Driver Side Outside Mirror w/ Memory
Dimming 3 of 3
G200 (1 of 2)
GM LAN - Low Speed 1 of 2