GM Service Manual Online
For 1990-2009 cars only
Makes
🢒
Cadillac
🢒
2007
🢒
STS
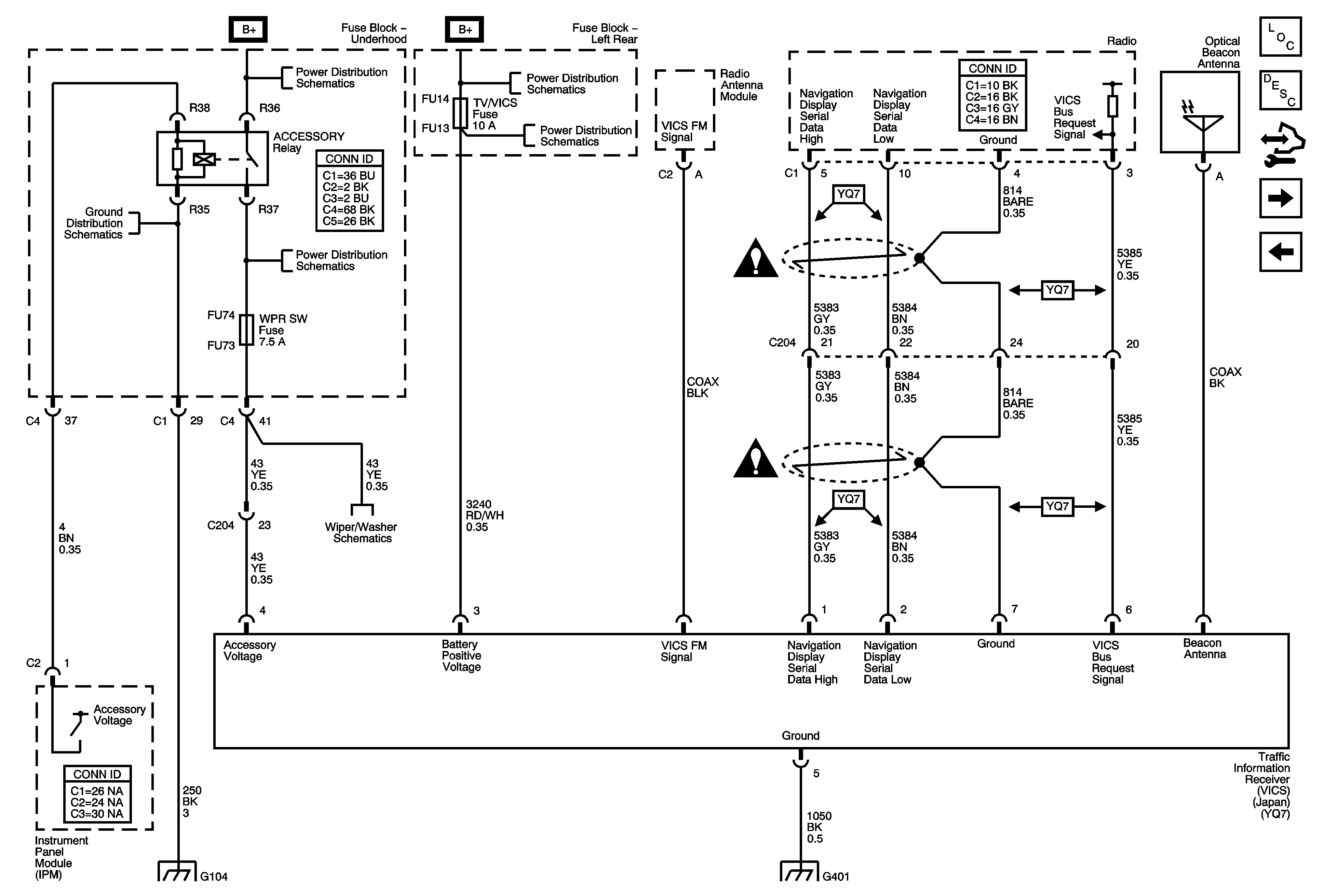
🢒 Traffic Information Receiver Module (VICS) - Japan Only
Traffic Information Receiver Module (VICS) - Japan Only
Traffic Information Receiver Module (VICS) - Japan Only
Master Electrical Component List
Navigation System Description and Operation
Control Module References
Radio and VICS Antennas, Audio/Video Adapter
Microphone, VSS and GPS Antenna
Fuse Block Underhood Wiring Bussing
G104 (1 of 2)
Fuse Block - Left Rear Bussing
Fuse Block - Underhood Fuses/Relays: IPM/ALDL, Auto Headlamp Dimming, CCP, ECM/TCM, WPR MOD, WPR SW/VICS and Rain Sensor/HDLP Wash Fuses; ACC Relay
Fuse Block - Left Rear: TV/VICS, ELC SOL, ESC Module, DVR DR Module, Rear Door Module, Theft Shifter and Amp Fuses
Power, Grounds and Wiper Switch
G104 (1 of 2)
Entertainment/Communication Schematic Icons
Entertainment/Communication Schematic Icons
G401 (2 of 2)