GM Service Manual Online
For 1990-2009 cars only
Makes
🢒
Cadillac
🢒
2007
🢒
STS
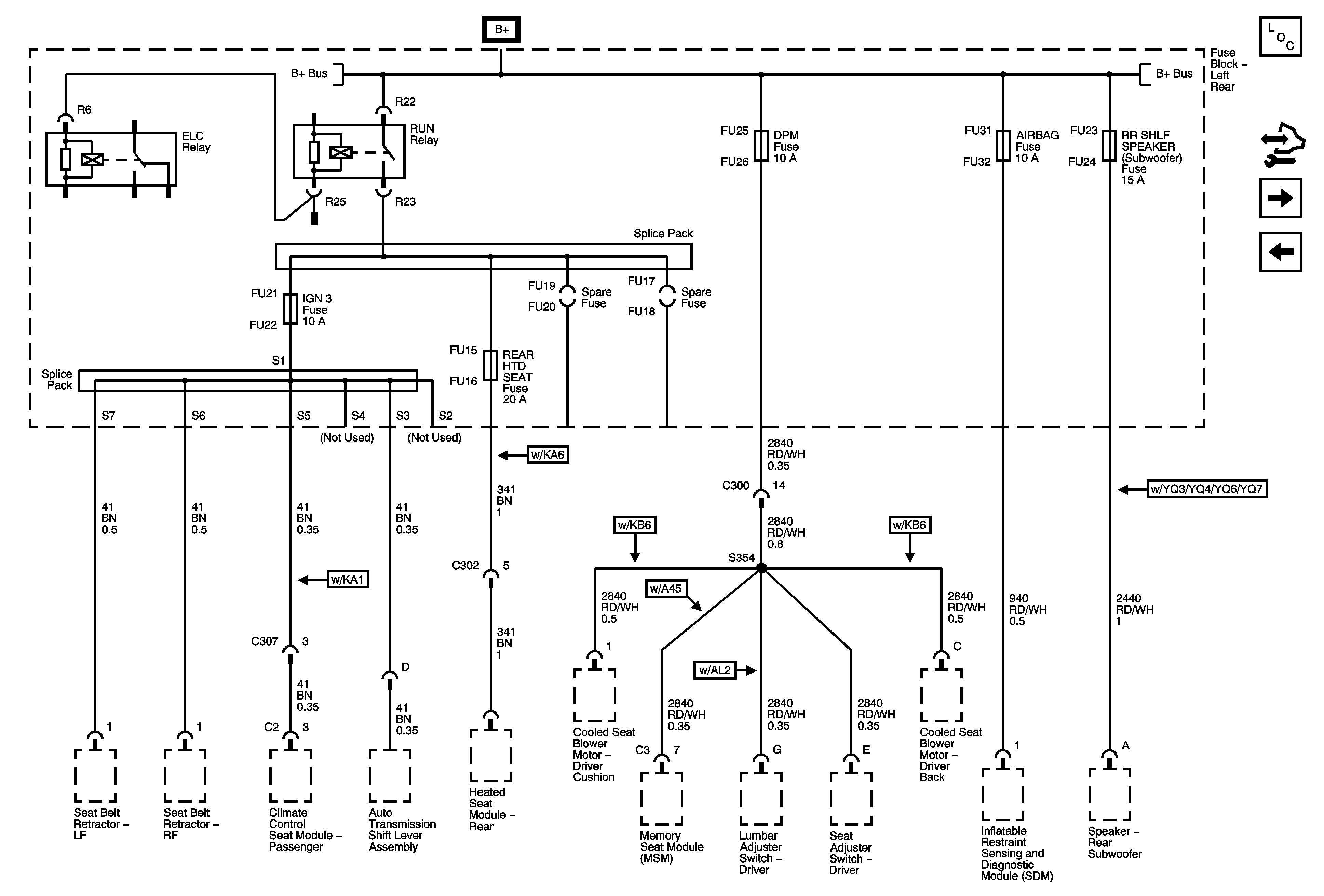
🢒 Fuse Block - Left Rear - Ign 3 Relay, Ign 3, Rear Heated Seat, Memory, Airbag and Rear Shelf Speaker Fuses
Fuse Block - Left Rear - Ign 3 Relay, Ign 3, Rear Heated Seat, Memory, Airbag and Rear Shelf Speaker Fuses
Fuse Block - Left Rear: IGN 3 RELAY, IGN 3, REAR HEATED SEAT, MEMORY, AIRBAG and REAR SHELF SPEAKER FUSES
Master Electrical Component List
Control Module References
Fuse Block - Right Rear - Radio/OnStar, Rt Turn Signal, Canister Vent, and RF Heated/Vented Seat Fuses, Window Motors Circuit Breaker
Fuse Block - Left Rear: Seats Circuit Breaker
Fuse Block - Left Rear Bussing
Fuse Block - Left Rear Bussing