GM Service Manual Online
For 1990-2009 cars only
Makes
🢒
Cadillac
🢒
2009
🢒
STS
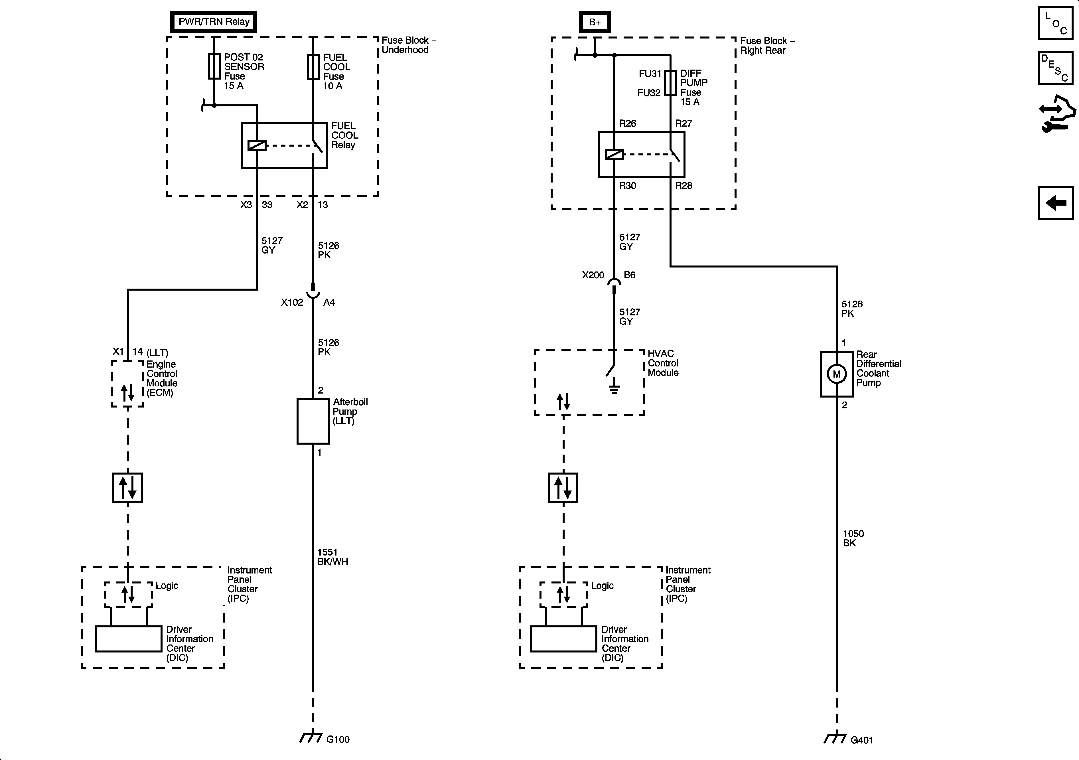
🢒 Coolant Level Switch (RHD) After Boil Coolant Pump (RHD LH2 +V92/V03)
Coolant Level Switch (RHD) After Boil Coolant Pump (RHD LH2 +V92/V03)
Coolant Level Switch (RHD) After Boil Coolant Pump (RHD LH2 +V92/V03)
Master Electrical Component List
Cooling Fan Description and Operation w/V8
Control Module References
Engine Cooling Schematics