GM Service Manual Online
For 1990-2009 cars only
Makes
🢒
Cadillac
🢒
2009
🢒
STS
🢒 Engine Cooling Schematics
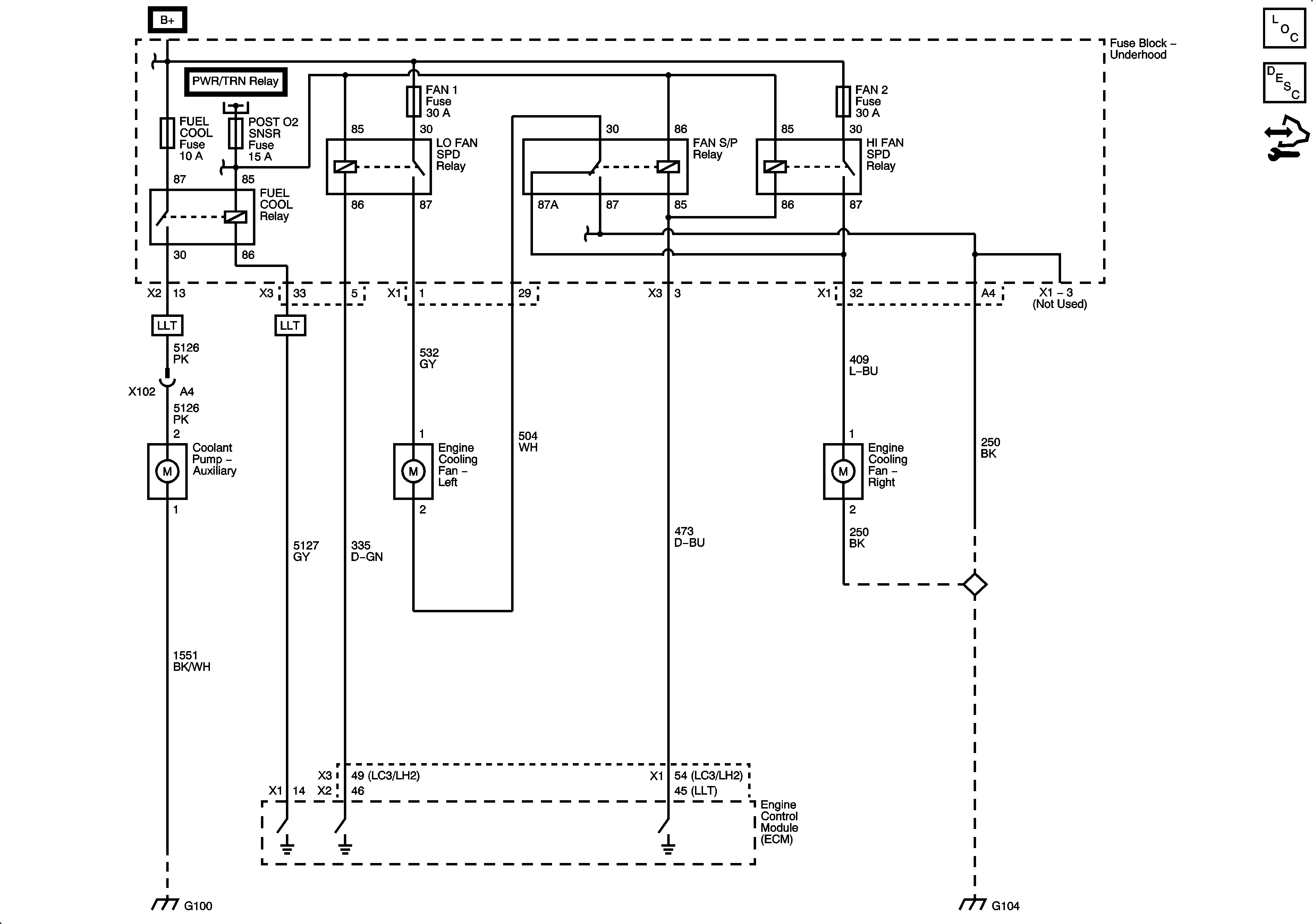
Engine Cooling Schematics
Master Electrical Component List
Cooling Fan Description and Operation w/V8
Control Module References
Coolant Level Switch (RHD) After Boil Coolant Pump (RHD LH2 +V92/V03)