GM Service Manual Online
For 1990-2009 cars only
Makes
🢒
Cadillac
🢒
2009
🢒
STS
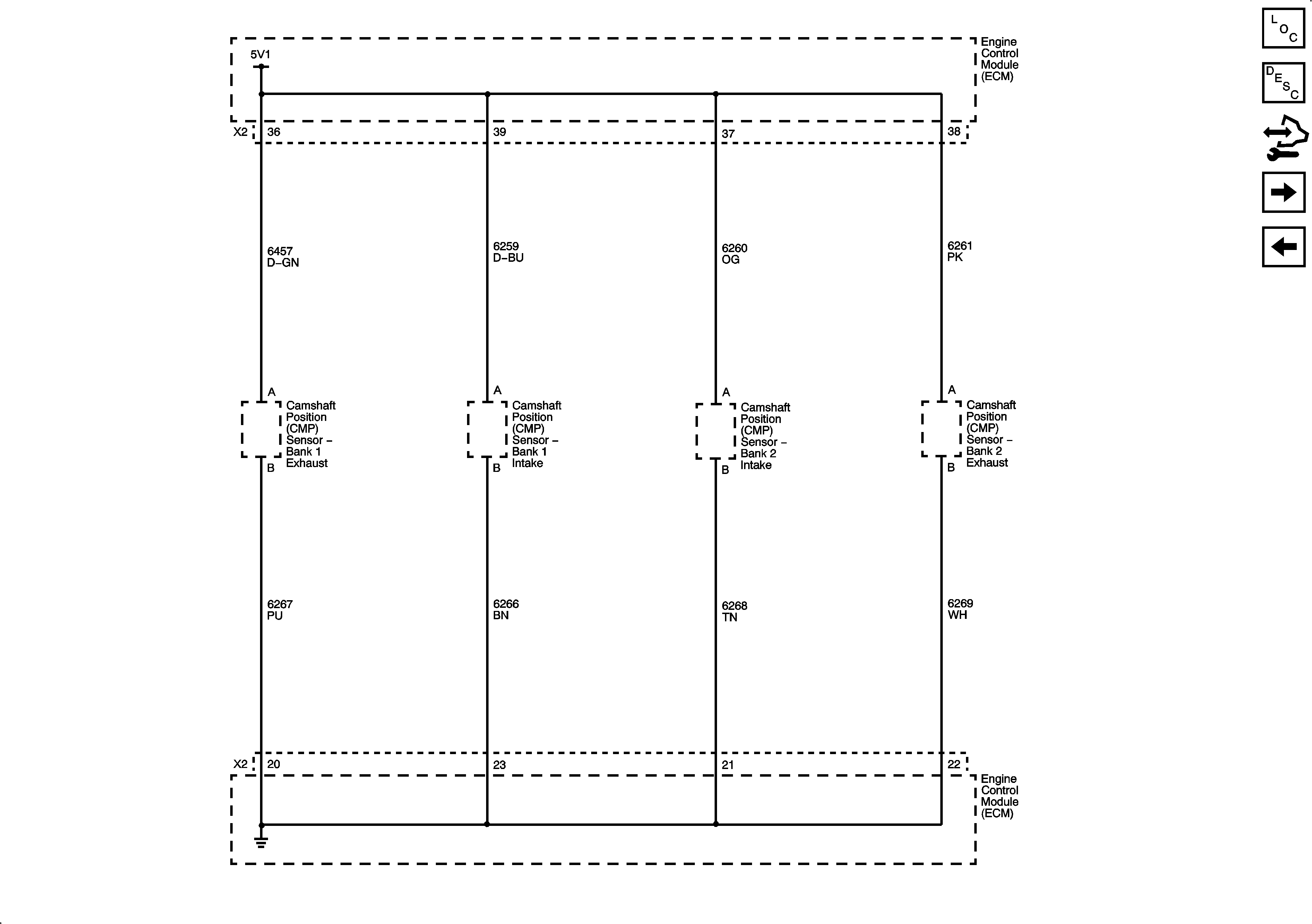
🢒 Engine Data Sensors - 5-Volt and Low Reference 2 of 2
Engine Data Sensors - 5-Volt and Low Reference 2 of 2
Engine Data Sensors - 5-Volt and Low Reference 2 of 2
Master Electrical Component List
Engine Control Module Description
Control Module References
Engine Data Sensors - Pressure, Temperature, MAF, VSS
Engine Data Sensors - 5-Volt and Low Reference 1 of 2