GM Service Manual Online
For 1990-2009 cars only

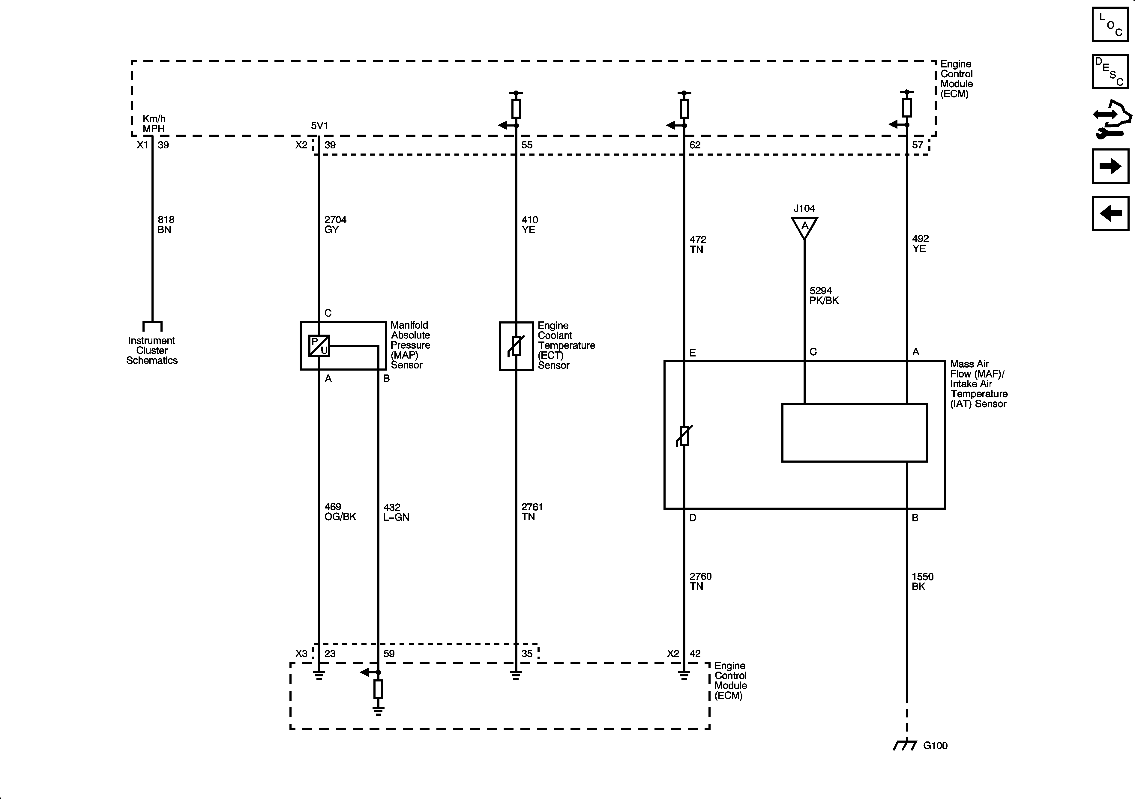
Engine Data Sensors - Pressure, Temperature, MAF, VSS

Engine Data Sensors - Pressure, Temperature, MAF, VSS


Object Number: 1905896  Size: FS
Master Electrical Component List
Engine Control Module Description
Control Module References
Engine Data Sensors - Oxygen Sensors
Engine Data Sensors - 5-Volt and Low Reference 2 of 2