GM Service Manual Online
For 1990-2009 cars only

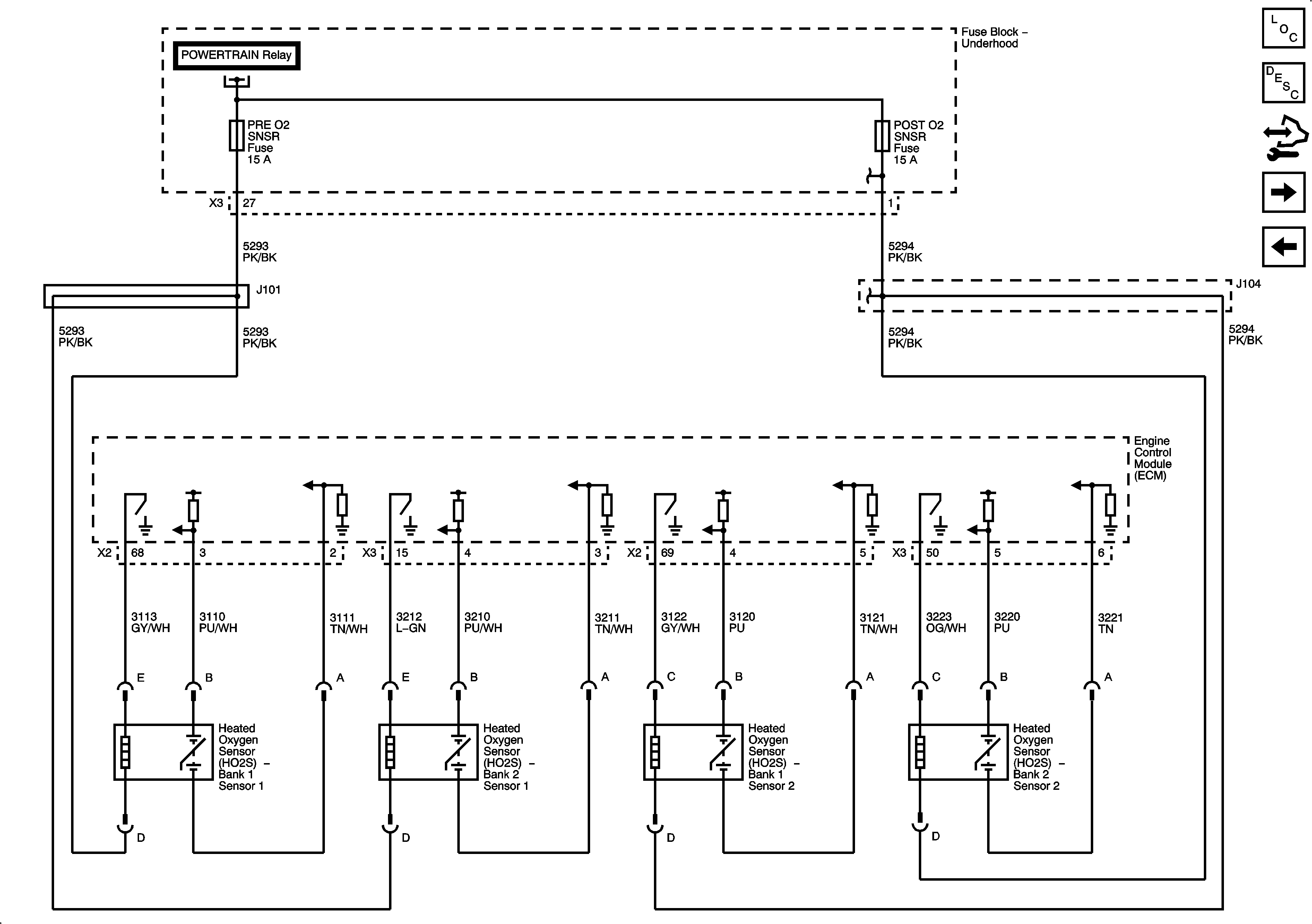
Engine Data Sensors - Oxygen Sensors

Engine Data Sensors - Oxygen Sensors


Object Number: 1905899  Size: FS
Master Electrical Component List
Engine Control Module Description
Control Module References
Engine Data Sensors - Electronic Throttle Controls
Engine Data Sensors - Pressure, Temperature, MAF, VSS