GM Service Manual Online
For 1990-2009 cars only
Makes
🢒
Cadillac
🢒
2009
🢒
STS
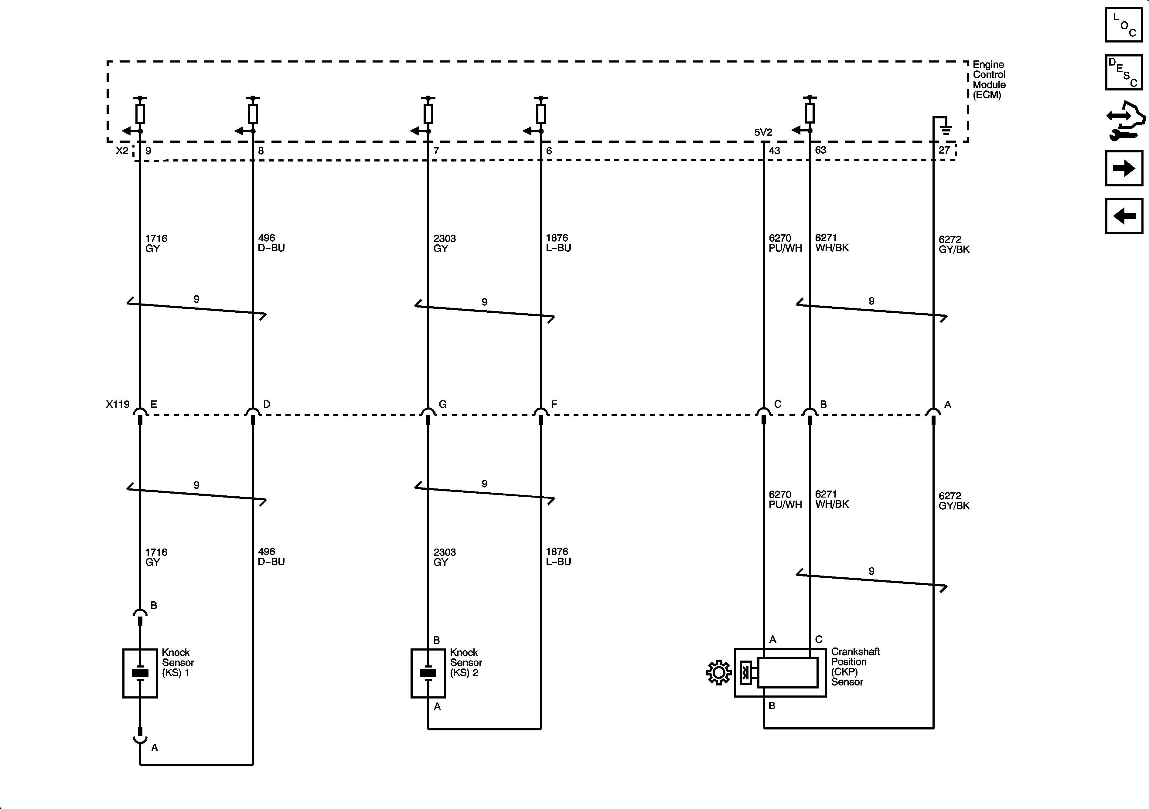
🢒 Crankshaft Position (CKP) Sensor and Knock Sensors
Crankshaft Position (CKP) Sensor and Knock Sensors
Crankshaft Position (CKP) Sensor and Knock Sensors
Master Electrical Component List
Electronic Ignition (EI) System Description
Control Module References
Fuel Controls - Injectors and Pump
Ignition Controls - CMP Sensors and Solenoids