GM Service Manual Online
For 1990-2009 cars only
Makes
🢒
Cadillac
🢒
2009
🢒
STS
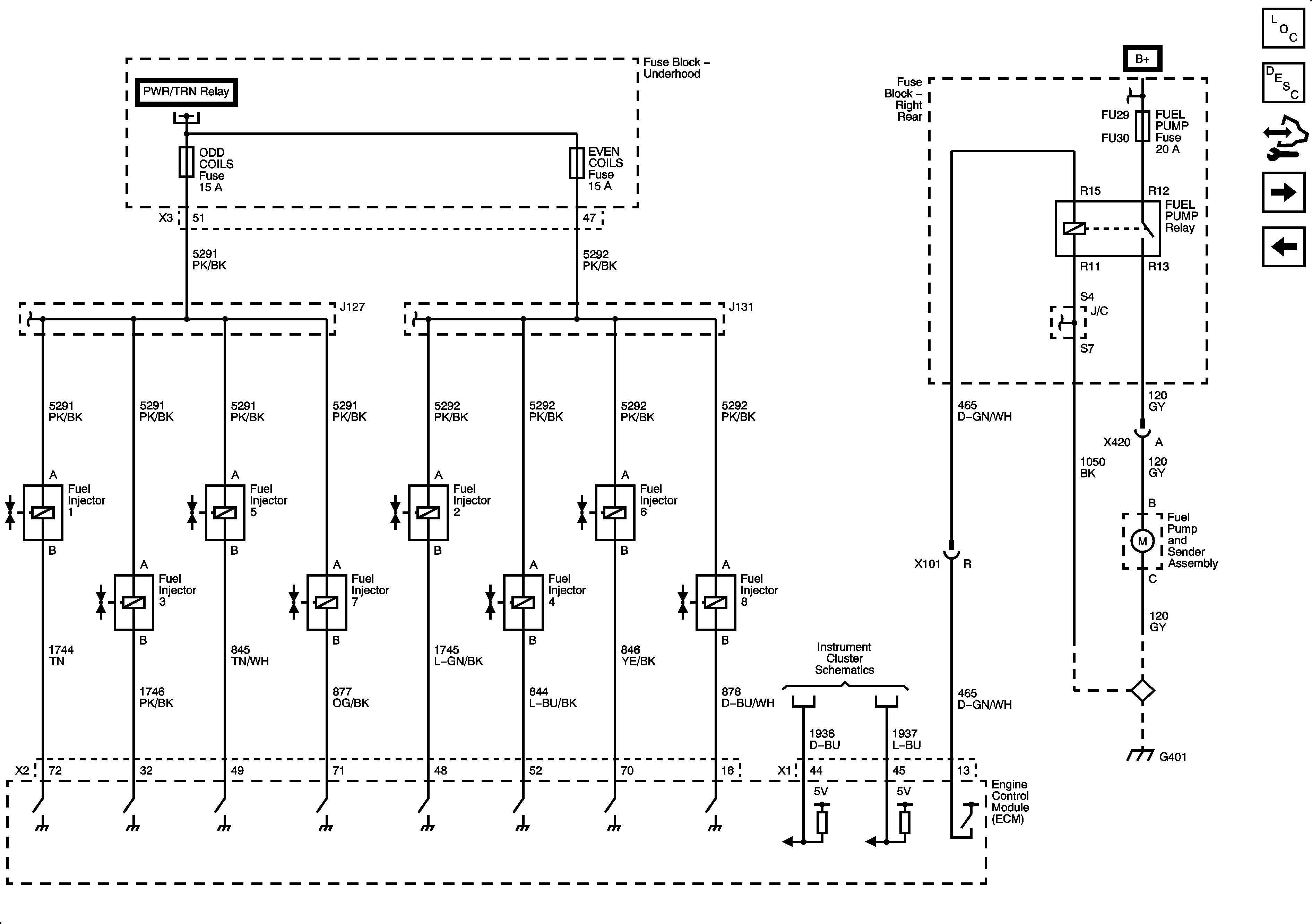
🢒 Fuel Controls - Injectors and Pump
Fuel Controls - Injectors and Pump
Fuel Controls - Injectors and Pump
Master Electrical Component List
Fuel System Description
Control Module References
Fuel Controls - EVAP, Fuel Tank Pressure (FTP) Sensor, Vacuum Bypass Valve
Crankshaft Position (CKP) Sensor and Knock Sensors