GM Service Manual Online
For 1990-2009 cars only
Makes
🢒
Cadillac
🢒
2009
🢒
STS
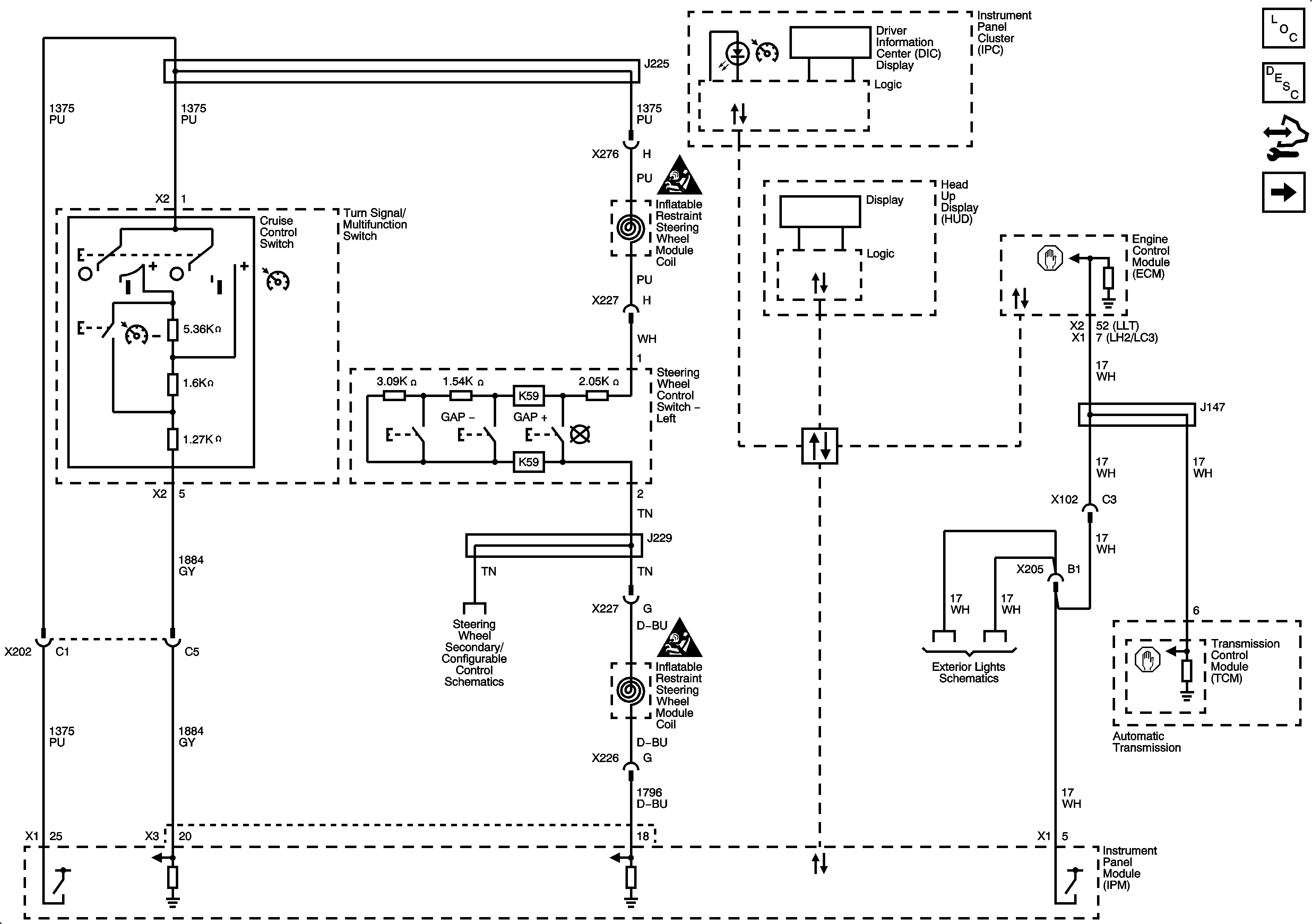
🢒 Cruise Control Switch, Steering Wheel Controls
Cruise Control Switch, Steering Wheel Controls
Cruise Control Switch, Steering Wheel Controls
Master Electrical Component List
Cruise Control Description and Operation (Conventional Cruise Control)
Control Module References
Distance Sensing Cruise Control Module - K59