GM Service Manual Online
For 1990-2009 cars only
Makes
🢒
Cadillac
🢒
1998
🢒
Seville
🢒 Cell 20: Sensors
Cell 20: Sensors
Cell 20: Sensors
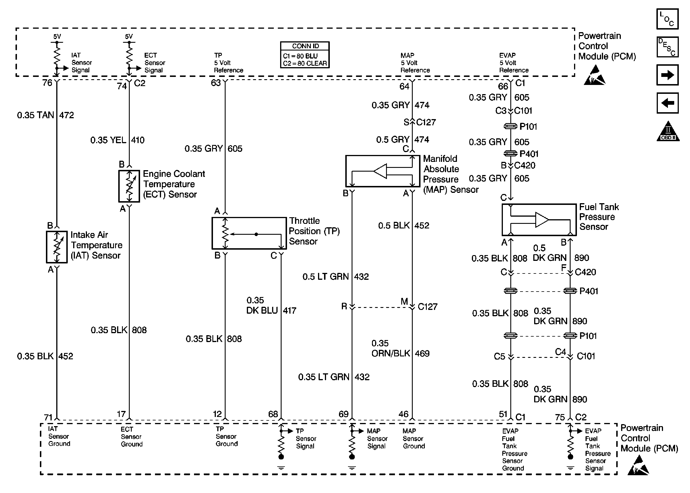
Engine Controls Components
Information Sensors/Switches Description
Cell 20: EVAP and EGR Valve
Cell 20: Cooling Fans
OBD II Symbol Description Notice
Powertrain Control Module Connector End Views
Handling ESD Sensitive Parts Notice
Handling ESD Sensitive Parts Notice