GM Service Manual Online
For 1990-2009 cars only
Makes
🢒
Cadillac
🢒
1998
🢒
Seville
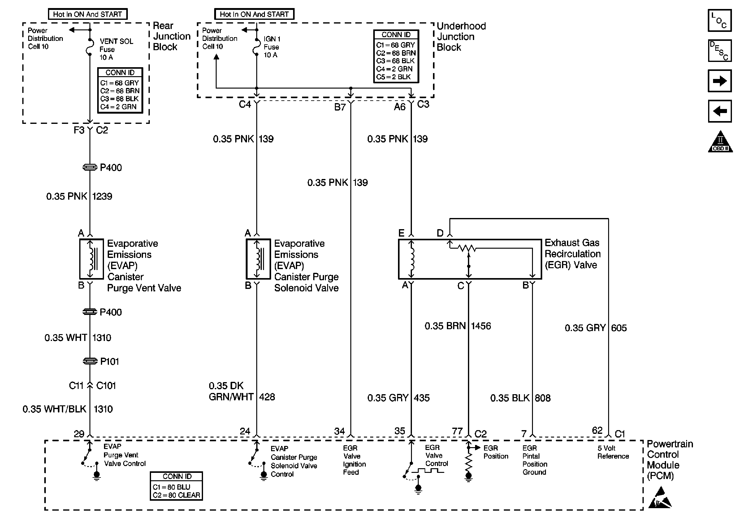
🢒 Cell 20: EVAP and EGR Valve
Cell 20: EVAP and EGR Valve
Cell 20: EVAP and EGR Valve
Engine Controls Components
Information Sensors/Switches Description
Cell 20: Cruise Control Module
Cell 20: Sensors
OBD II Symbol Description Notice
Engine Controls Schematic References
Engine Controls Schematic References
Powertrain Control Module Connector End Views
Handling ESD Sensitive Parts Notice