GM Service Manual Online
For 1990-2009 cars only
Makes
🢒
Cadillac
🢒
1998
🢒
Seville
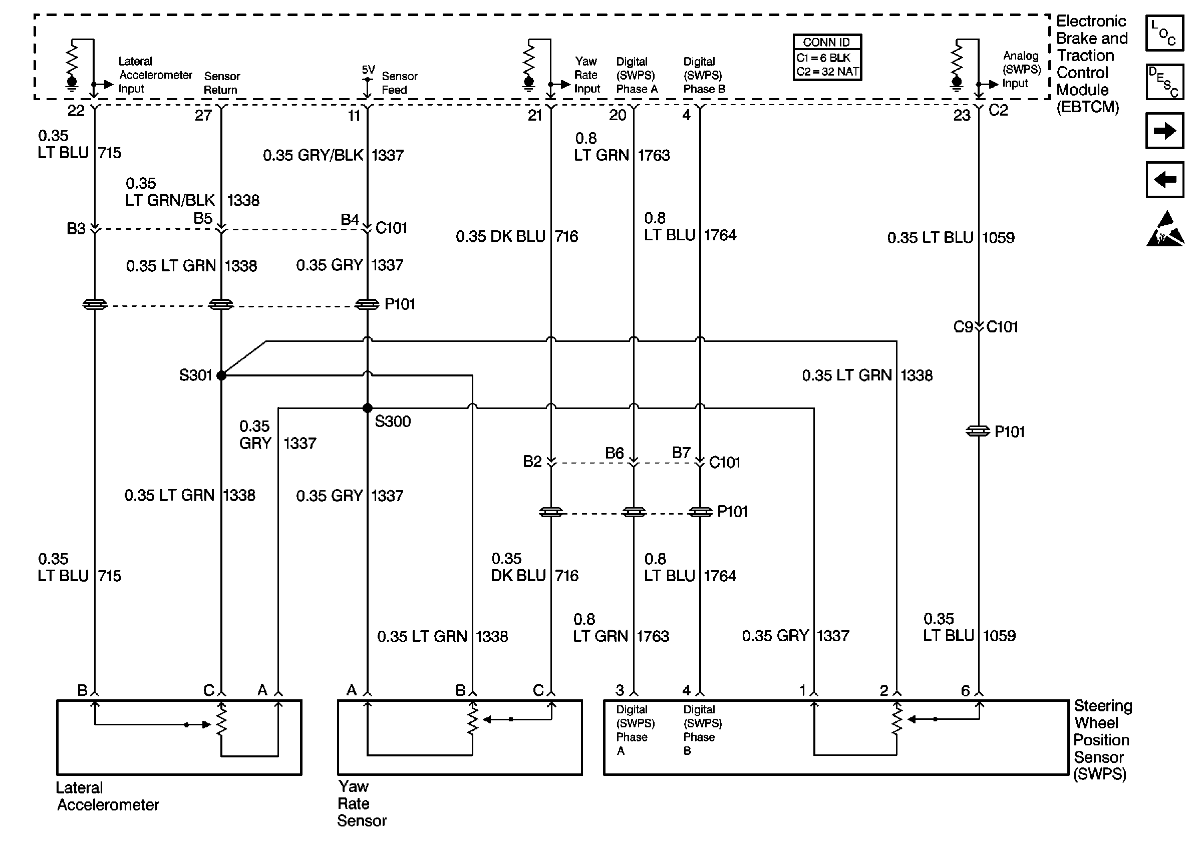
🢒 Cell 44: Lateral Accelerometer, Yaw Rate, and Steering Wheel Position Sensors
Cell 44: Lateral Accelerometer, Yaw Rate, and Steering Wheel Position Sensors
Cell 44: Lateral Accelerometer, Yaw Rate, and Steering Wheel Position Sensors
ABS Components
ABS/TCS/ICCS System Description
Cell 44: Wheel Speed Sensors
Cell 44: PWR, GND, BPMV Pump Motor and Solenoids
Handling ESD Sensitive Parts Notice