GM Service Manual Online
For 1990-2009 cars only
Makes
🢒
Cadillac
🢒
1998
🢒
Seville
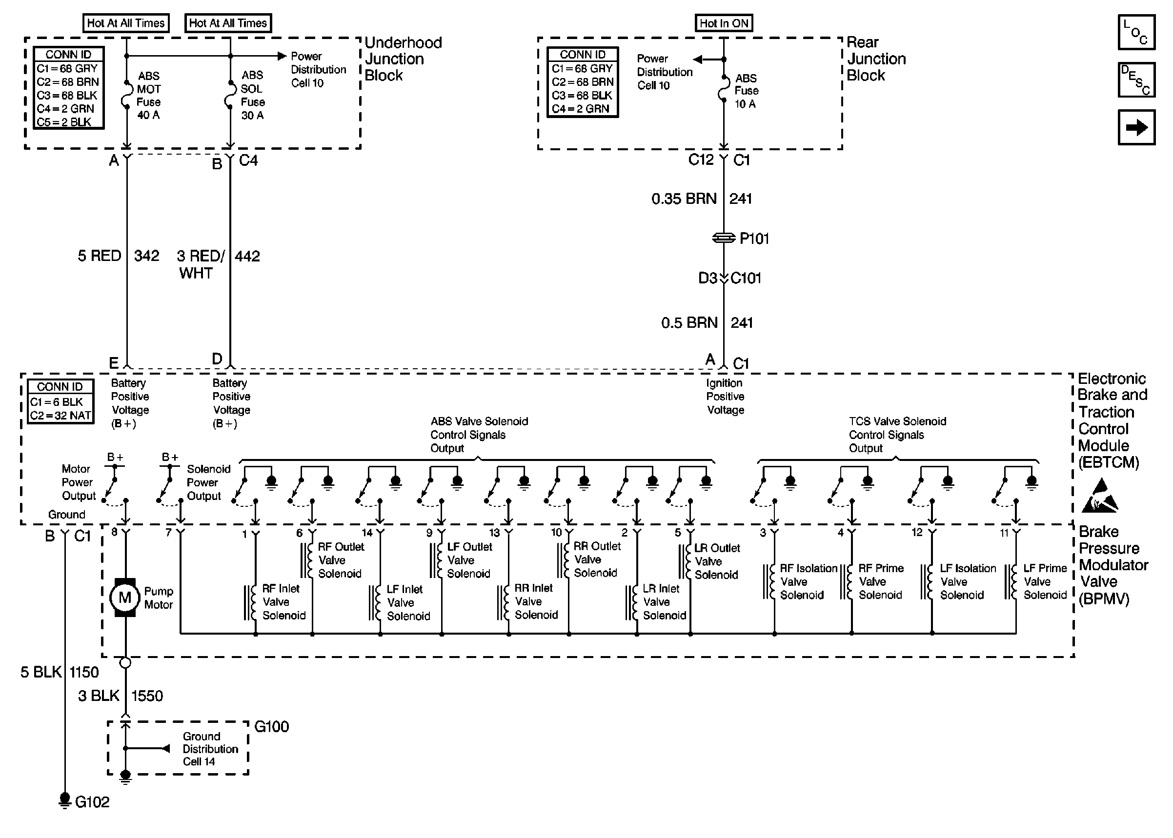
🢒 Cell 44: PWR, GND, BPMV Pump Motor and Solenoids
Cell 44: PWR, GND, BPMV Pump Motor and Solenoids
Cell 44: PWR, GND, BPMV Pump Motor and Solenoids
ABS Components
ABS/TCS/ICCS System Description
Cell 44: Lateral Accelerometer, Yaw Rate, and Steering Wheel Position Sensors
Handling ESD Sensitive Parts Notice
Cell 10: Battery - Underhood Fuse(Junction) Block
Cell 10: IGN 3 Relay and HVAC, ABS Fuses
Cell 14: G100