GM Service Manual Online
For 1990-2009 cars only
Makes
🢒
Cadillac
🢒
1998
🢒
Seville
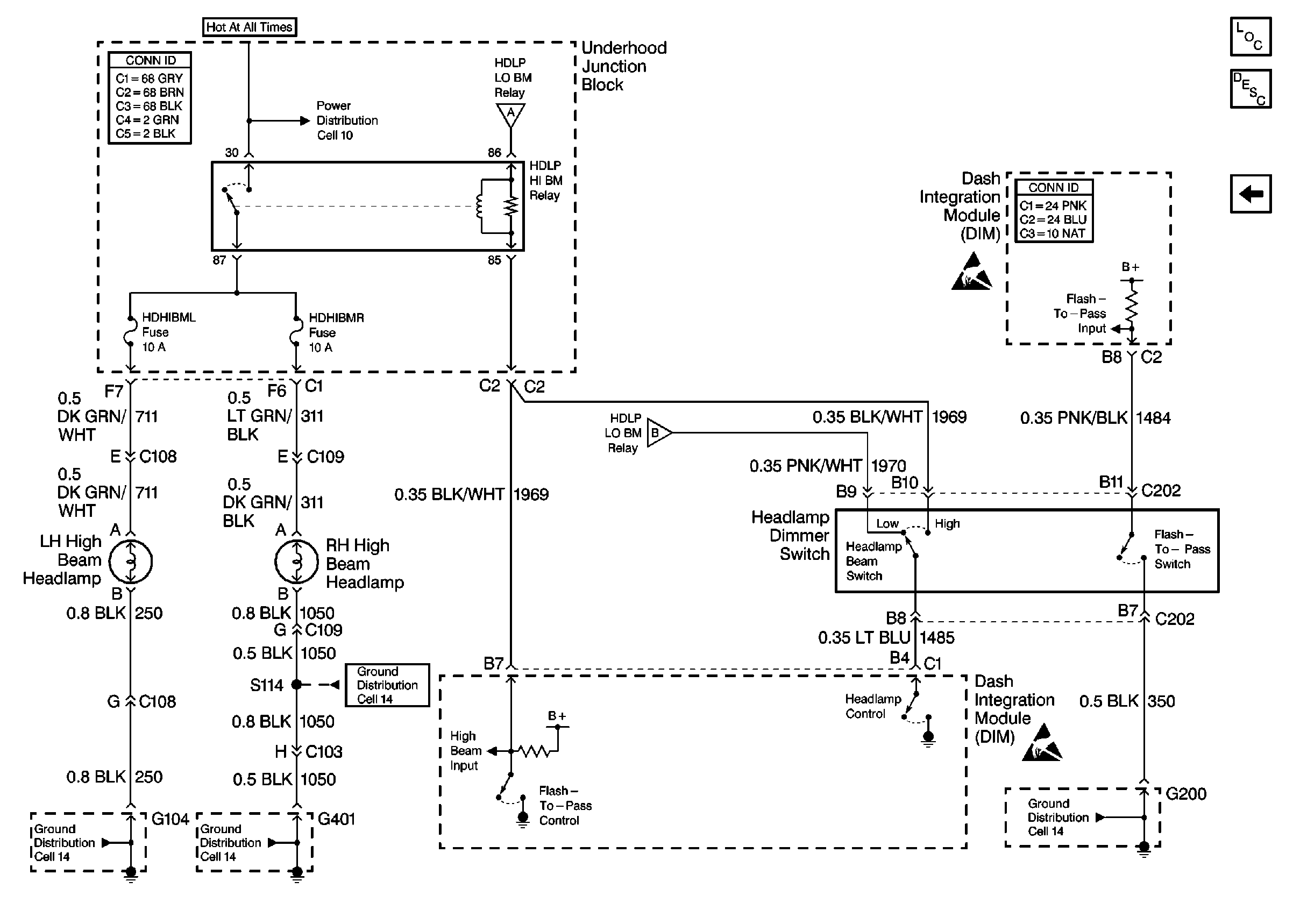
🢒 Cell 100: High Beam Headlamps, Headlamp Dimmer Switch
Cell 100: High Beam Headlamps, Headlamp Dimmer Switch
Cell 100: High Beam Headlamps, Headlamp Dimmer Switch
Lighting Systems Components
Headlights Circuit Description
Cell 100: Low Beam Headlamps
Handling ESD Sensitive Parts Notice
Handling ESD Sensitive Parts Notice
Cell 10: HDHI BML, HDHI BMR, HDLO BML, and HDLO BMR Fuses
Cell 14: G104
Cell 14: G401 (3 of 3)
Cell 14: G401 (3 of 3)
Cell 14: G200 (1 of 2)
Cell 100: Low Beam Headlamps
Cell 100: Low Beam Headlamps
Power and Grounding Connector End Views
Body Control System Connector End Views