GM Service Manual Online
For 1990-2009 cars only
Makes
🢒
Cadillac
🢒
1998
🢒
Seville
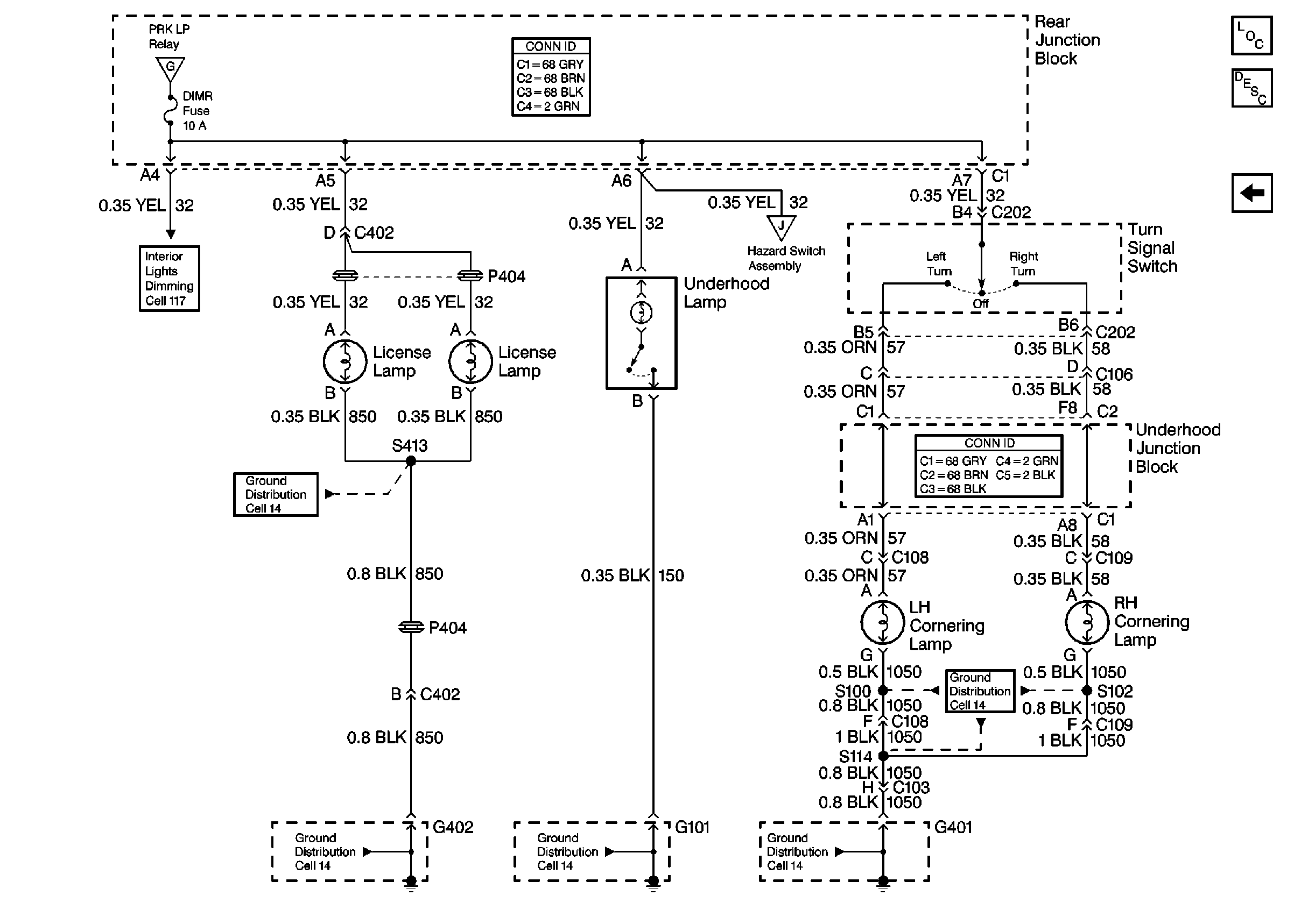
🢒 Cell 110: License, Underhood, and Cornering Lamps
Cell 110: License, Underhood, and Cornering Lamps
Cell 110: License, Underhood, and Cornering Lamps
Lighting Systems Components
Exterior Lights Circuit Description
Cell 110: Position Lamps
Cell 14: G101 and G105
Cell 14: G401 (3 of 3)
Cell 14: G401 (3 of 3)
Cell 14: G402 (1 of 2)
Cell 14: G402 (2 of 2)
Cell 117: Dimming Control, IP Dimmer Switch
Cell 110: RH Exterior Lamps
Cell 110: Hazard Switch Assembly
Power and Grounding Connector End Views
Power and Grounding Connector End Views