GM Service Manual Online
For 1990-2009 cars only
Makes
🢒
Cadillac
🢒
1998
🢒
Seville
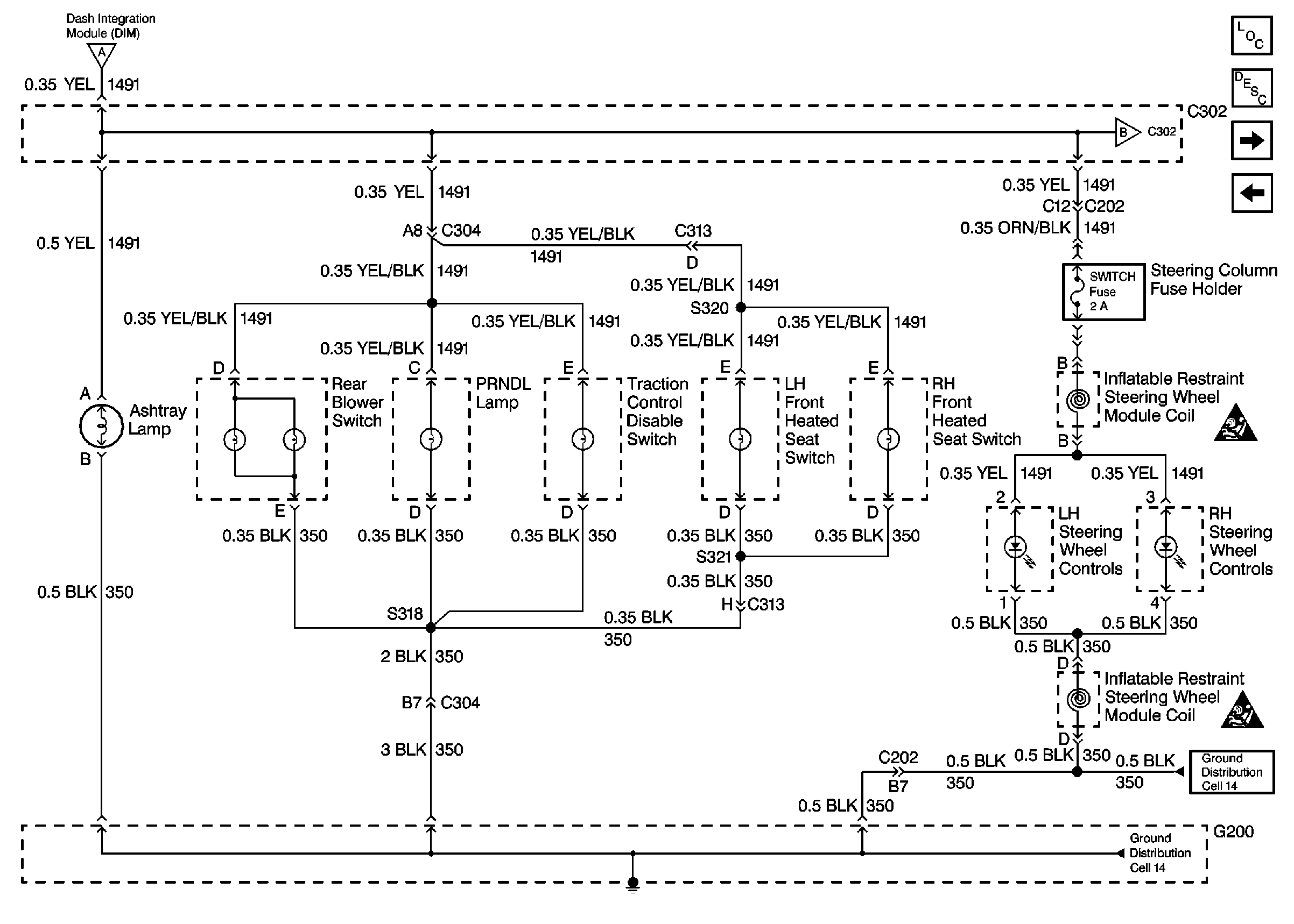
🢒 Cell 117: Ashtray Lamp, Steering Wheel Controls, Console Dimming
Cell 117: Ashtray Lamp, Steering Wheel Controls, Console Dimming
Cell 117: Ashtray Lamp, Steering Wheel Controls, Console Dimming
Lighting Systems Components
Interior Lights Dimming Circuit Description
Cell 117: Instrument Panel Dimming
Cell 117: Dimming Control, IP Dimmer Switch
SIR Handling Caution
SIR Handling Caution
Cell 14: G200 (1 of 2)
Cell 14: G200 (1 of 2)
Cell 117: Dimming Control, IP Dimmer Switch
Cell 117: Instrument Panel Dimming