GM Service Manual Online
For 1990-2009 cars only
Makes
🢒
Cadillac
🢒
1998
🢒
Seville
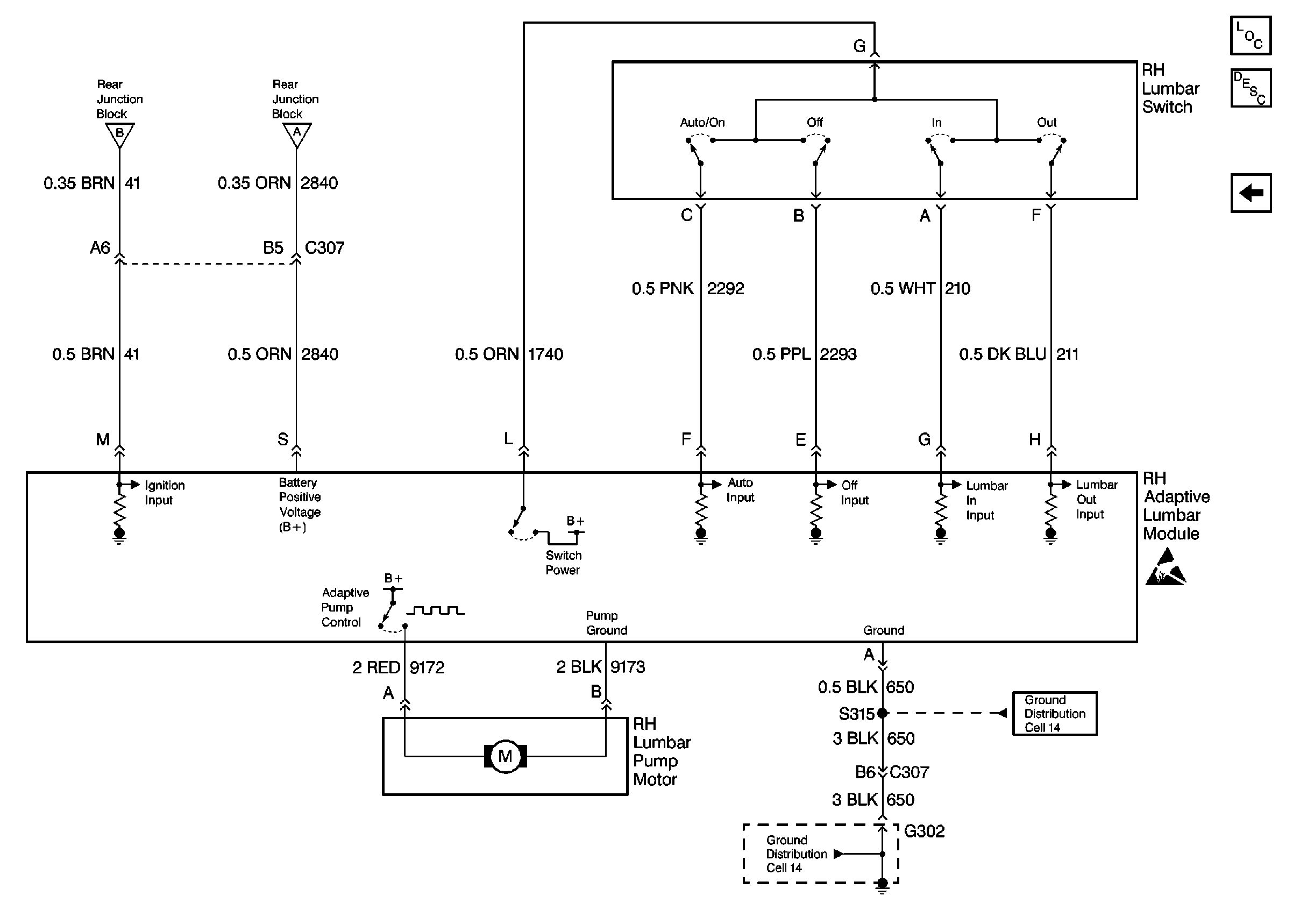
🢒 Cell 142: Right Adaptive Seat
Cell 142: Right Adaptive Seat
Cell 142: Right Adaptive Seat
Power Seat Systems Components
Power Lumbar Circuit Description AC9
Cell 142: Left Adaptive Seat
Handling ESD Sensitive Parts Notice
Cell 14: G302
Cell 14: G302
Cell 142: Left Adaptive Seat
Cell 142: Left Adaptive Seat