GM Service Manual Online
For 1990-2009 cars only
Makes
🢒
Cadillac
🢒
1998
🢒
Seville
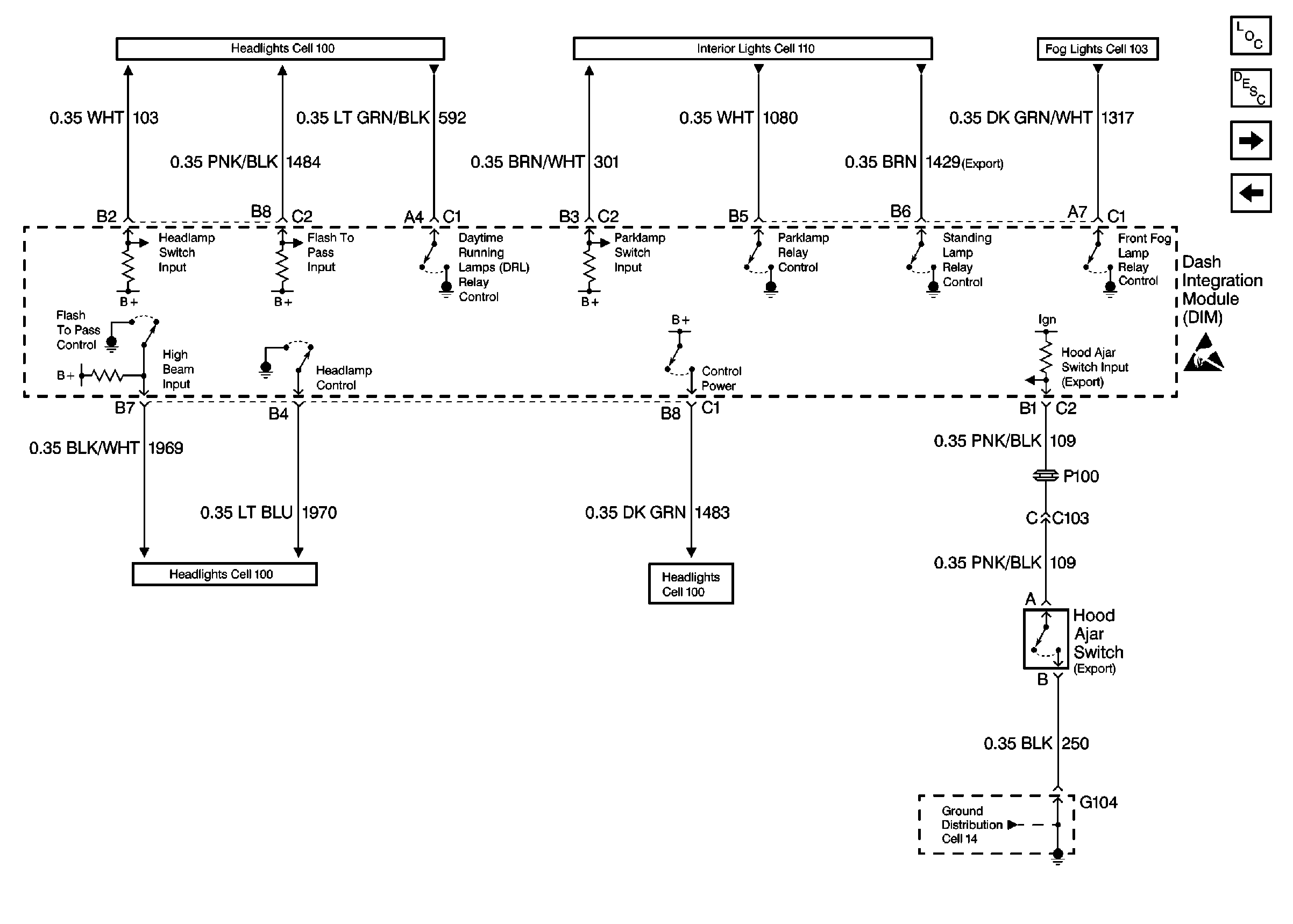
🢒 Cell 51: DIM Inputs and Outputs
Cell 51: DIM Inputs and Outputs
Cell 51: DIM Inputs and Outputs
Body Control Module Components
Body Control System Circuit Description
Cell 51: DIM Inputs and Outputs
Cell 51: DIM Ignition Inputs
Handling ESD Sensitive Parts Notice
Ground Distribution Schematics
Interior Lights Schematics