GM Service Manual Online
For 1990-2009 cars only
Makes
🢒
Cadillac
🢒
1998
🢒
Seville
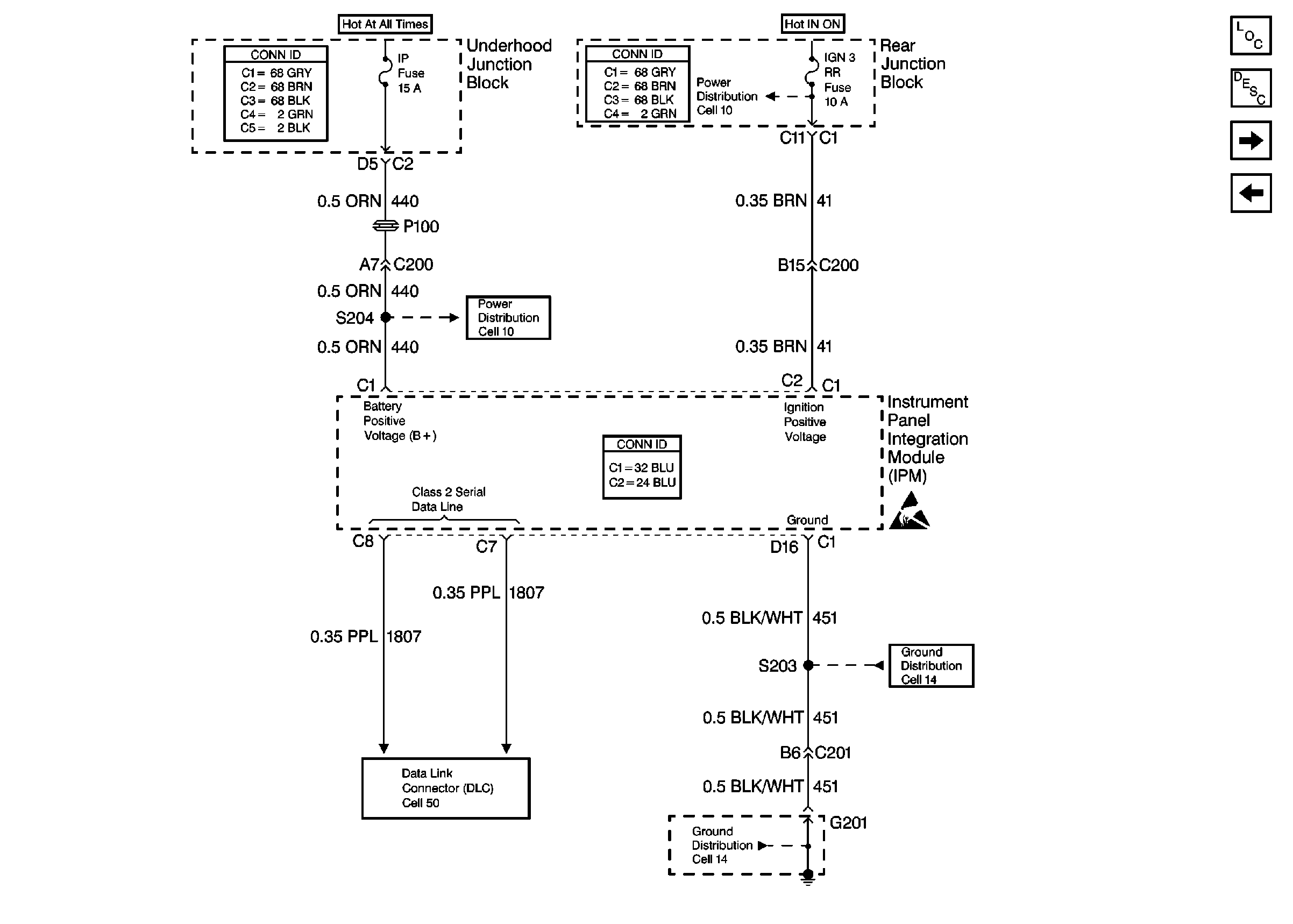
🢒 Cell 51: IPM Power and Ground
Cell 51: IPM Power and Ground
Cell 51: IPM Power and Ground
Body Control Module Components
Body Control System Circuit Description
Cell 51: IPM Inputs and Outputs
Cell 51: DIM Inputs and Outputs
Handling ESD Sensitive Parts Notice
Ground Distribution Schematics
Ground Distribution Schematics
Power and Grounding Connector End Views
Power Distribution Schematics
Power and Grounding Connector End Views
Power and Grounding Connector End Views