GM Service Manual Online
For 1990-2009 cars only
Makes
🢒
Cadillac
🢒
1998
🢒
Seville
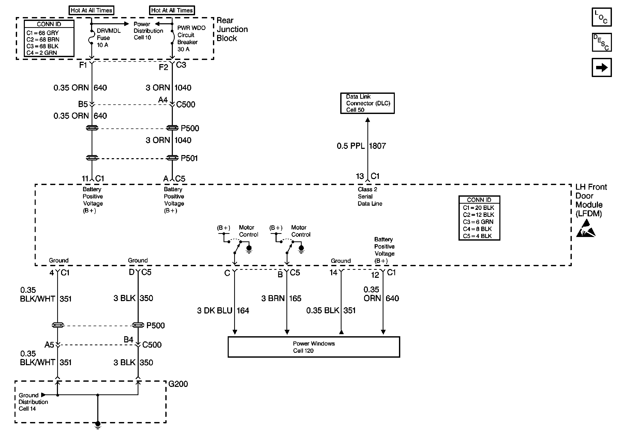
🢒 Cell 55: LFDM Inputs and Outputs
Cell 55: LFDM Inputs and Outputs
Cell 55: LFDM Inputs and Outputs
Power Door Systems Component Views
Door Description
Cell 120 - LH Power Windows
Handling ESD Sensitive Parts Notice
Cell 120 - LH Power Windows
Cell 14: G200 (1 of 2)
Cell 10: DRV MDL, PASS MDL, RRDR MDL, and ALDL Fuses
Cell 50: Class Serial Data Line (1 of 2)