GM Service Manual Online
For 1990-2009 cars only
Makes
🢒
Cadillac
🢒
1998
🢒
Seville
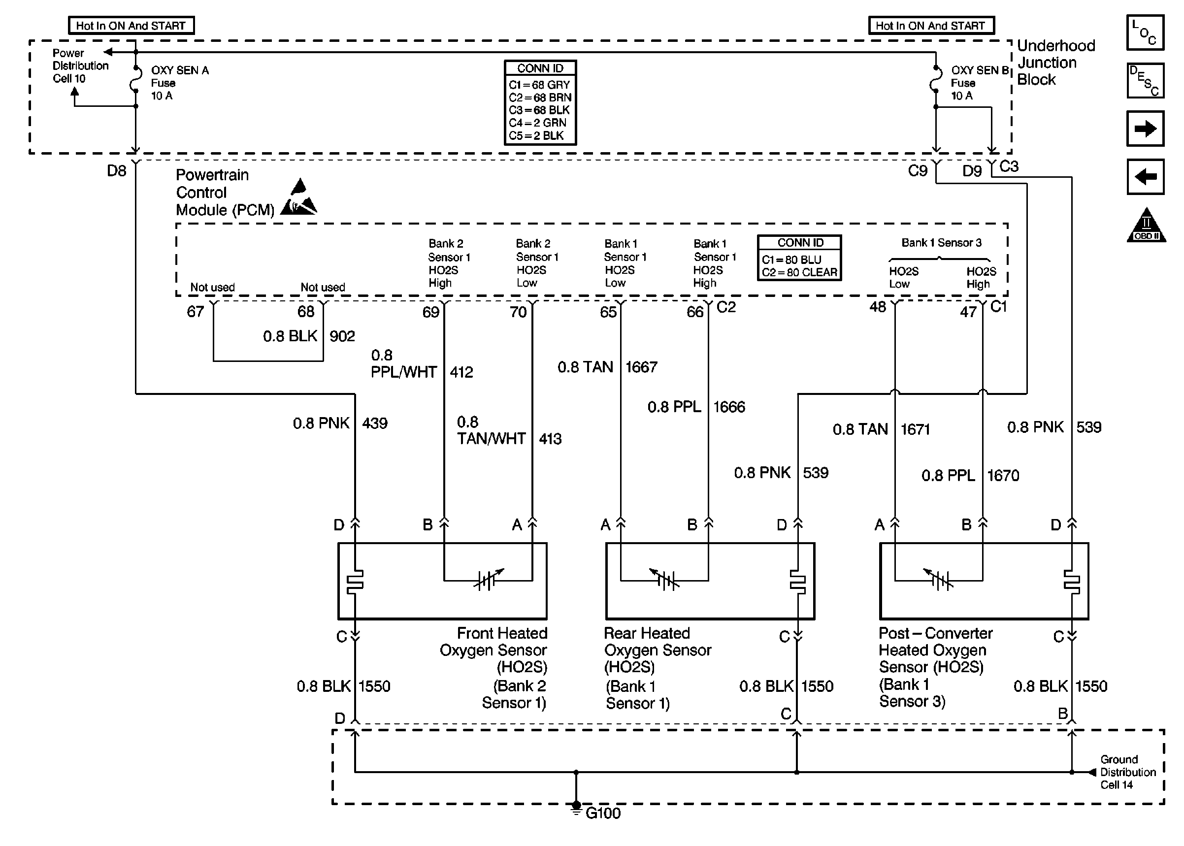
🢒 Cell 20: HO2S (Later Production)
Cell 20: HO2S (Later Production)
Cell 20: HO2S (Later Production)
Engine Controls Components
Information Sensors/Switches Description
Cell 20: A/C Relay, A/C Pressure Sensor, CVRSS and EBTCM
Cell 20: HO2S (Early Production)
OBD II Symbol Description Notice
Engine Controls Schematic References
Handling ESD Sensitive Parts Notice
Powertrain Control Module Connector End Views
Engine Controls Schematic References