GM Service Manual Online
For 1990-2009 cars only
Makes
🢒
Cadillac
🢒
1998
🢒
Seville
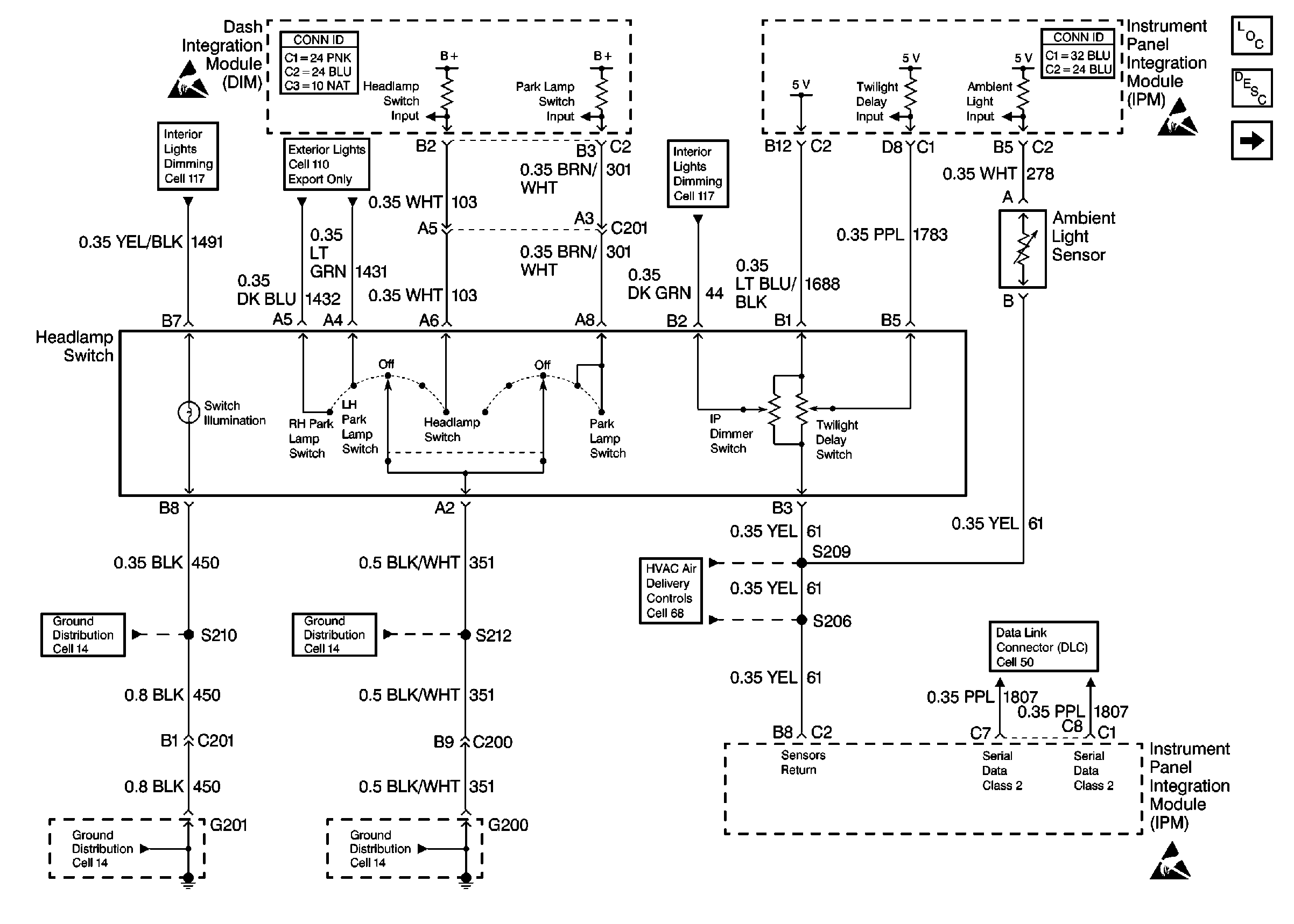
🢒 Cell 100: Headlamp Switch, Ambient Light Sensor
Cell 100: Headlamp Switch, Ambient Light Sensor
Cell 100: Headlamp Switch, Ambient Light Sensor
Lighting Systems Components
Headlights Circuit Description
Cell 100: DRL, Low Beam Headlamps
Handling ESD Sensitive Parts Notice
Handling ESD Sensitive Parts Notice
Handling ESD Sensitive Parts Notice
Cell 14: G201 (2 of 2)
Cell 14: G200 (1 of 2)
Cell 14: G201 (1 of 2)
Cell 14: G200 (1 of 2)
Cell 50: Class Serial Data Line (2 of 2)
Cell 68
Cell 110: Headlamp Switch, PRK LP Relay
Cell 117: Instrument Panel Dimming
Cell 117: Dimming Control, IP Dimmer Switch
Body Control System Connector End Views
Body Control System Connector End Views