GM Service Manual Online
For 1990-2009 cars only

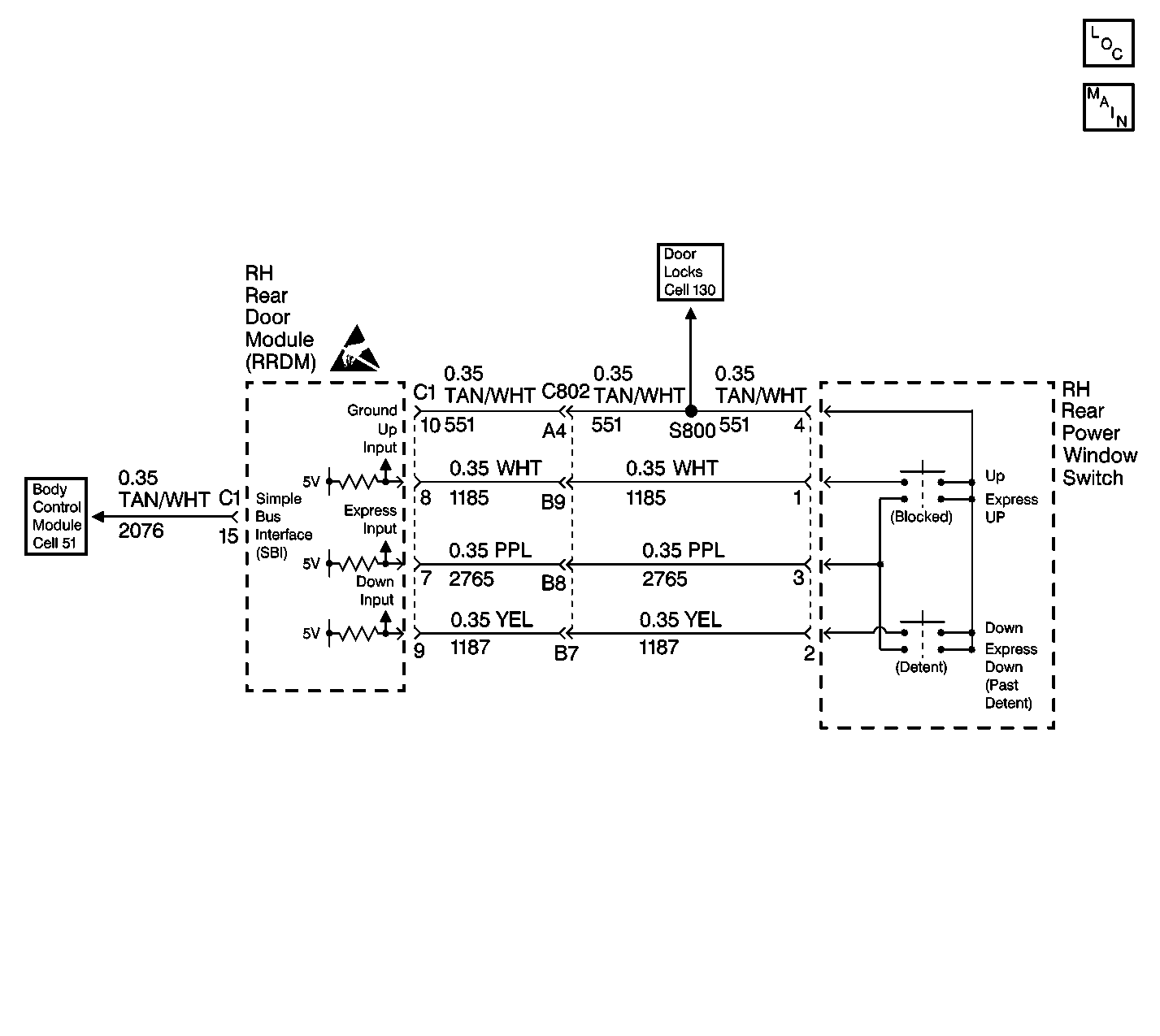
Object Number: 142995  Size: LF
Power Door Systems Components
Cell 120 - RH Power Window
Cell 130 - RH Power Door Lock
Cell 55: SBI
Handling ESD Sensitive Parts Notice

Circuit Description

The circuit for the RH Rear Door Window Switch consists of:

    • RH Rear Power Window Switch
    • RH Rear Door Module (RRDM)
    • Simple Bus Interface (SBI)
    • LH Front Door Module (LFDM)

The RH Rear Power Window Switch provides input to the RH Rear Door Module. The RRDM reports all switch activity in the form of SBI messages to the LFDM. The actual diagnostic software program for DTC B2206 is contained within the LFDM and this diagnostic is run once every 300 milliseconds. Problems involving the LFDM or SBI may set other DTCs and affect the operation of the power door locks and outside rear view mirror.

Conditions for Setting the DTC

If the LFDM detects that the SBI messages from the RRDM show that the RH Rear Window Switch has been in the UP position for 15 continuous seconds, this DTC will be set current. This diagnostic will not run if either DTC B1982 (Battery Voltage High) or B1983 (Battery Voltage Low) are set current.

Action Taken When the DTC Sets

This DTC is dynamic, and as such, is current only while the problem is present. While this DTC is current, the RRDM will ignore the actuation of the RH Rear Power Window Switch.

Conditions for Clearing the DTC

  1. This DTC will be set from current to history when the window UP input cycles off or the power mode changes from OFF to RUN.
  2. The history DTC will clear after 50 ignition cycles.
  3. The scan tool or the vehicle On Board Diagnostic System can be used to clear the history DTC.

Diagnostic Aids

    • A history DTC is evidence of an intermittent problem, clear the DTC and cycle the ignition switch from OFF to RUN. Then perform the Diagnostic System Check.
    • If DTC B2206 is current, cycle the ignition switch from OFF to RUN. If this DTC is still current, perform the following diagnostic.

Test Description

The numbers below refer to the step numbers on the diagnostic table:

  1. Perform the Power Door System Diagnostic System Check prior to diagnosis.

  2. This step tests the RH rear power window switch for an internal short.

  3. This step tests CKT 1186 for a short to ground.

  4. This repair procedure requires the repair CKT 1185 for a short to ground.

Step

Action

Value(s)

Yes

No

1

Was the Power Door System Diagnostic System Check performed?

--

Go to Step 2

Go to Diagnostic System Check - Power Door Systems

2

  1. Disconnect the RH rear power window switch.
  2. Install the scan tool.
  3. Select the driver door module input data for the RH rear power window switch

Does the scan tool indicate UP?

--

Go to Step 4

Go to Step  3

3

Replace the RH rear power window switch. Refer to Rear Side Door Window Switch Replacement .

Did you complete the repair?

--

Go to Step 7

--

4

  1. Turn the ignition switch to the OFF position.
  2. Disconnect the RRDM connector C1
  3. Using a DMM, measure the resistance between the RH rear power window switch harness connector terminals 1 and ground.

Is the resistance within the specified range?

0-5 ohms

Go to Step 5

Go to Step 6

5

Repair CKT 1185 for a short to ground.

Refer to Wiring Repairs in Wiring Systems.

Did you complete the repair?

--

Go to Step 7

--

6

Replace the RH rear door module (RRDM). Refer to Door Control Module Replacement .

Did you complete the replacement?

--

Go to Step 7

--

7

  1. Turn off the ignition switch.
  2. Reconnect or reinstall any connectors or components that were disconnected or removed.
  3. Turn ON the ignition switch.
  4. Clear any DTCs. Refer to Diagnostic Trouble Code (DTC) Clearing .

Are all DTCs cleared?

--

Go to Diagnostic System Check - Power Door Systems .

--