GM Service Manual Online
For 1990-2009 cars only

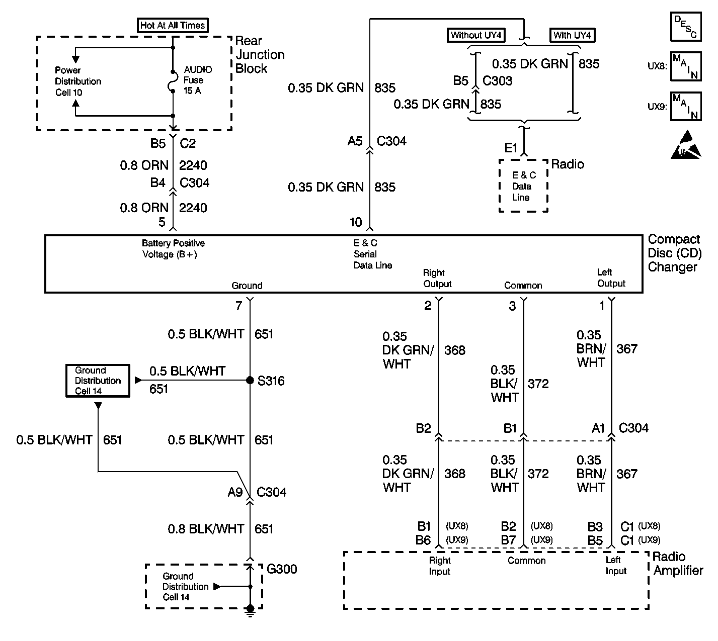
Object Number: 259747  Size: LF
Radio/Audio System Circuit Description
Cell 150: Compact Disk Changer
Cell 150: Compact Disc Changer
Handling ESD Sensitive Parts Notice
Power Distribution Schematics
Ground Distribution Schematics
Ground Distribution Schematics

Circuit Description

The radio and the remote compact disc (CD) changer communicate through the E&C serial data line CKT 835 (DK GRN).

Conditions for Setting the DTC

The radio (IRC) performs this DTC test when the radio power cycles from off to on.

The diagnostic for this DTC does not run if DTC B1982 or DTC B1983 is set.

The radio sets the current status for this DTC when it detects a loss of E&C communication with the CD changer. If the CD changer does not respond, the radio ignores the CD changer.

Action Taken When the DTC Sets

No driver warning message will be displayed for this DTC. The CD changer does not operate as long as the DTC is set.

Conditions for Clearing the DTC

    • This DTC clears (status changes from current to history) when the radio (IRC) no longer detects the conditions which caused the DTC to set.
    • A history DTC clears after 50 consecutive ignition cycles if the condition for the malfunction is no longer present.

Diagnostic Aids

Refer to diagnostic table.

Test Description

The numbers below refer to the step numbers on the diagnostic table:

  1. This step checks that the E and C serial data line between the radio and the compact disc player is OK.

Step

Action

Value(s)

Yes

No

1

Was the Radio/Audio System Diagnostic System Check performed?

--

Go to Step 2

Go to Diagnostic System Check - Radio/Audio System

2

Inspect CKT 835 (DK GRN) between the radio and the compact disc (CD) changer for a short to power, ground, or for an open.

Was an open or short found?

--

Go to Step 8

Go to Step 3

3

  1. Disconnect the CD changer.
  2. Measure the voltage from the CD changer terminal 5 to ground.

Is the voltage within the specified range?

10-15V

Go to Step 5

Go to Step 4

4

Repair the open or short to ground in CKT 2240 (ORN).

Is the repair complete?

--

Go to Diagnostic System Check - Radio/Audio System

--

5

Measure the voltage from the CD changer terminals 5 to 7.

Is the voltage within the specified range?

10-15V

Go to Step 7

Go to Step 6

6

Repair the open in CKT 651 (BLK).

Is the repair complete?

--

Go to Diagnostic System Check - Radio/Audio System

--

7

Replace the CD changer.

Is the repair complete?

--

Go to Diagnostic System Check - Radio/Audio System

--

8

Repair the open or short in CKT 835 (DK GRN).

Is the repair complete?

--

Go to Diagnostic System Check - Radio/Audio System

--