GM Service Manual Online
For 1990-2009 cars only
Makes
🢒
Cadillac
🢒
1999
🢒
Seville
🢒
Body and Accessories
🢒
Garage Door Opener
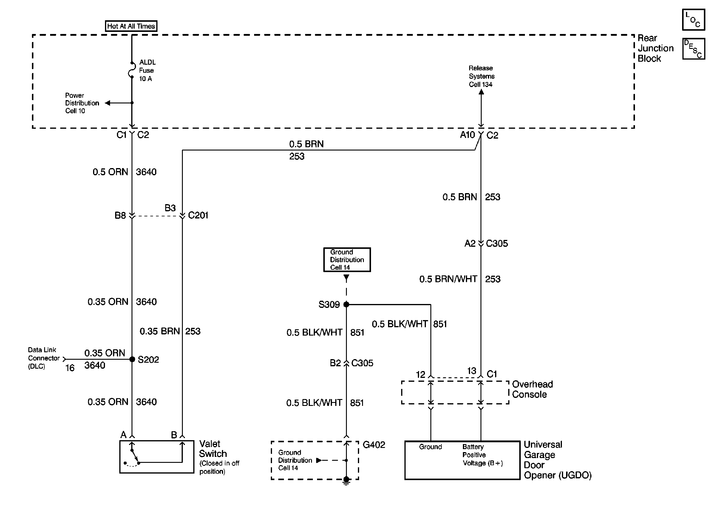
🢒 Garage Door Opener Schematics
Cell 136
Garage Door Opener Circuit Description
Cell 10: DRV MDL, PASS MDL, RRDR MDL, and ALDL Fuses
Cell 14: G402 (1 of 2)
Cell 14: G402 (1 of 2)
Cell 134
Garage Door Opener Components
Cell 50: Power and Ground