GM Service Manual Online
For 1990-2009 cars only
Makes
🢒
Cadillac
🢒
1999
🢒
Seville
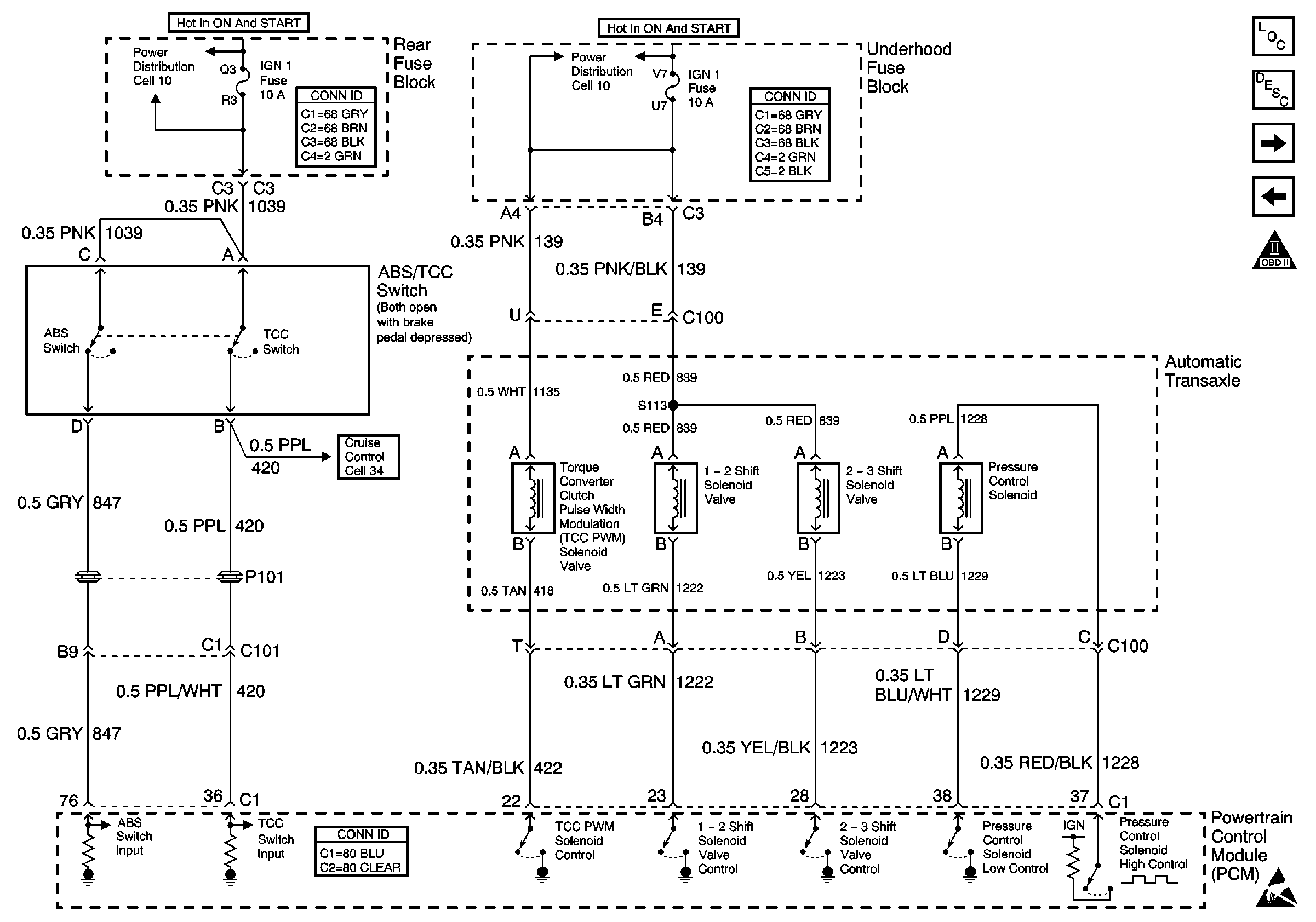
🢒 Cell 20: ABS/TCC Switch and Transaxle Solenoids
Cell 20: ABS/TCC Switch and Transaxle Solenoids
Cell 20: ABS/TCC Switch and Transaxle Solenoids
Automatic Transmission Components
Electronic Component Description
Cell 20: Transaxle Sensors and TR Switch
Cell 20: Generator, Power Steering Press Switch and Oil Level Switch
OBD II Symbol Description Notice
Cell 10: IGN 1 Relay and SIR, VENT SOL, IGN1 Fuses
Cell 10: IGN 1 and PCM IGN Fuses
Cell 34: Cruise Control Module Power and Ground
Powertrain Control Module Connector End Views
Handling ESD Sensitive Parts Notice
Power and Grounding Connector End Views
Power and Grounding Connector End Views