GM Service Manual Online
For 1990-2009 cars only
Makes
🢒
Cadillac
🢒
1999
🢒
Seville
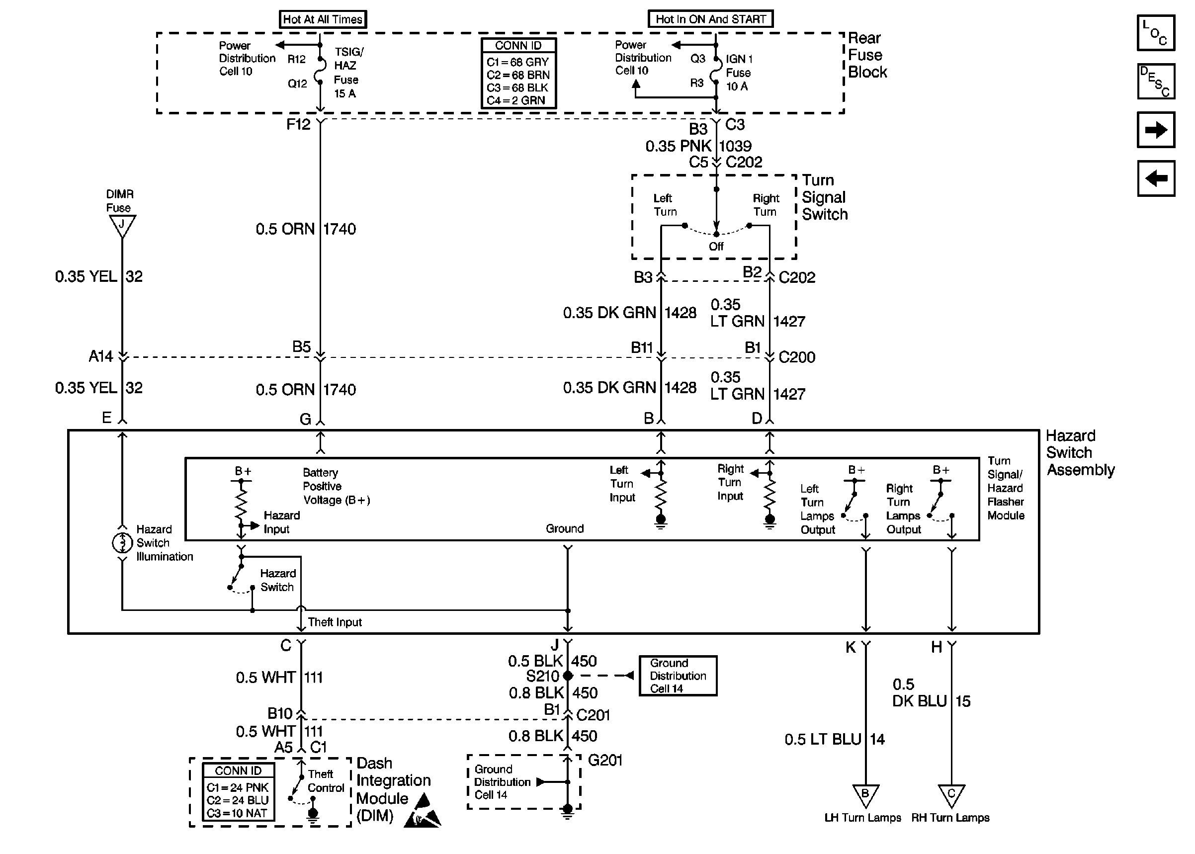
🢒 Cell 110: Hazard Switch Assembly
Cell 110: Hazard Switch Assembly
Cell 110: Hazard Switch Assembly
Lighting Systems Components
Exterior Lights Circuit Description
Cell 110: Stop Lamps
Cell 110: Headlamp Switch, PRK LP Relay
Handling ESD Sensitive Parts Notice
Cell 10: MEM T/T PWWR T/T and TSIG/HAZ Fuses
Cell 10: IGN 1 Relay and SIR, VENT SOL, IGN1 Fuses
Cell 14: G201 (2 of 3)
Cell 14: G201 (2 of 3)
Cell 110: LH Exterior Lamps
Cell 110: RH Exterior Lamps
Cell 110: License, Underhood, and Cornering Lamps
Power and Grounding Connector End Views
Body Control System Connector End Views