GM Service Manual Online
For 1990-2009 cars only
Makes
🢒
Cadillac
🢒
1999
🢒
Seville
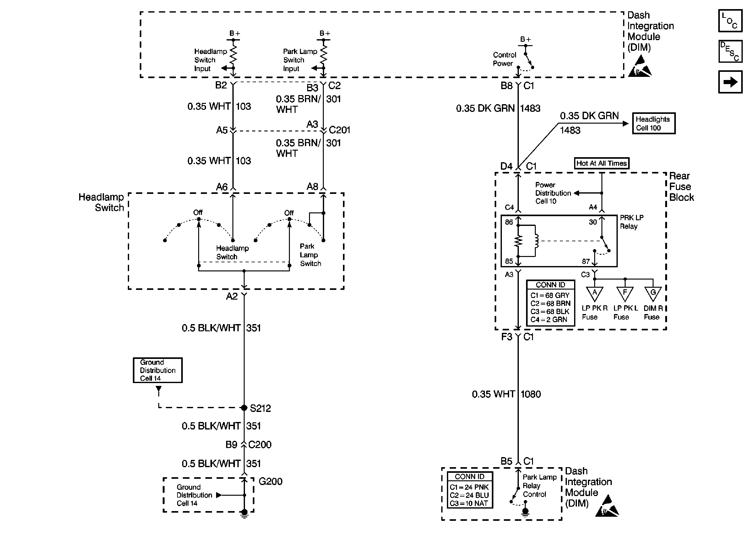
🢒 Cell 110: Headlamp Switch, PRK LP Relay
Cell 110: Headlamp Switch, PRK LP Relay
Cell 110: Headlamp Switch, PRK LP Relay
Lighting Systems Components
Exterior Lights Circuit Description
Cell 110: Hazard Switch Assembly
Handling ESD Sensitive Parts Notice
Handling ESD Sensitive Parts Notice
Cell 10: LP PK L Fuse
Cell 14: G200 (1 of 2)
Cell 14: G200 (1 of 2)
Cell 100: Low Beam Headlamps
Cell 110: RH Exterior Lamps
Cell 110: LH Exterior Lamps
Cell 110: License, Underhood, and Cornering Lamps
Power and Grounding Connector End Views
Body Control System Connector End Views