GM Service Manual Online
For 1990-2009 cars only
Makes
🢒
Cadillac
🢒
1999
🢒
Seville
🢒 Cell 112
Cell 112
Cell 112
Lighting Systems Components
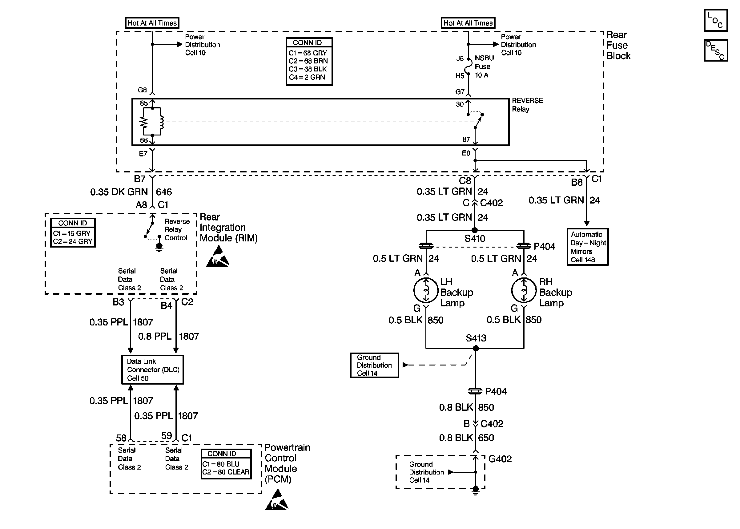
Backup Lamp Circuit Description
Handling ESD Sensitive Parts Notice
Handling ESD Sensitive Parts Notice
Cell 10: NSBU, F/PMP, CVRTD and BODY Fuses
Cell 10: NSBU, F/PMP, CVRTD and BODY Fuses
Cell 14: G402 (1 of 2)
Cell 14: G402 (2 of 2)
Cell 50: Class 2 Serial Data Line (LH Drive)
Cell 148: Inside Mirror
Power and Grounding Connector End Views
Body Control System Connector End Views
Powertrain Control Module Connector End Views