GM Service Manual Online
For 1990-2009 cars only
Makes
🢒
Cadillac
🢒
1999
🢒
Seville
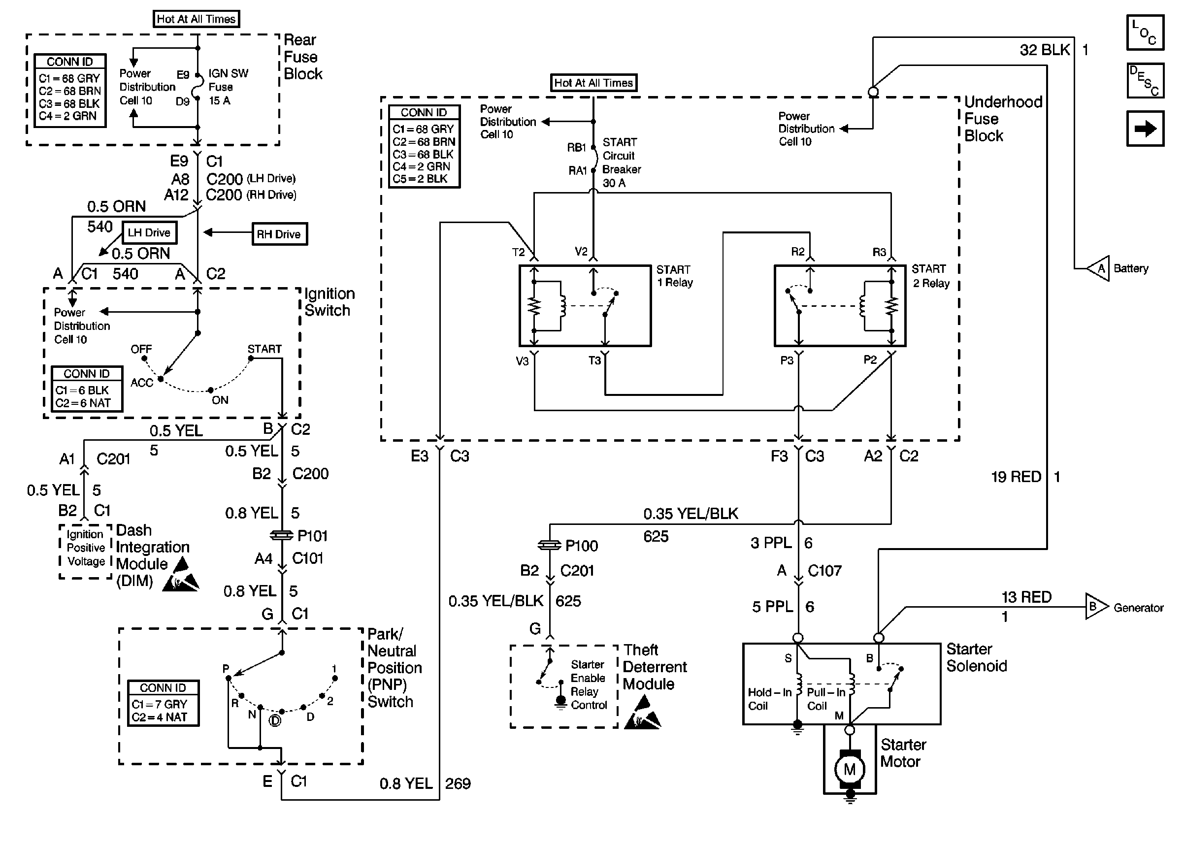
🢒 Cell 30: Starter Solenoid Controls
Cell 30: Starter Solenoid Controls
Cell 30: Starter Solenoid Controls
Engine Electrical Components
Starting System Circuit Description
Cell 30: Generator Controls and Battery
Handling ESD Sensitive Parts Notice
Power Distribution Schematics
Engine Electrical Schematic References
Cell 30: Generator Controls and Battery
Cell 30: Generator Controls and Battery
Power Distribution Schematics
Power Distribution Schematics
Tilt Wheel/Column Connector End Views
Engine Controls Connector End Views