GM Service Manual Online
For 1990-2009 cars only
Makes
🢒
Cadillac
🢒
1999
🢒
Seville
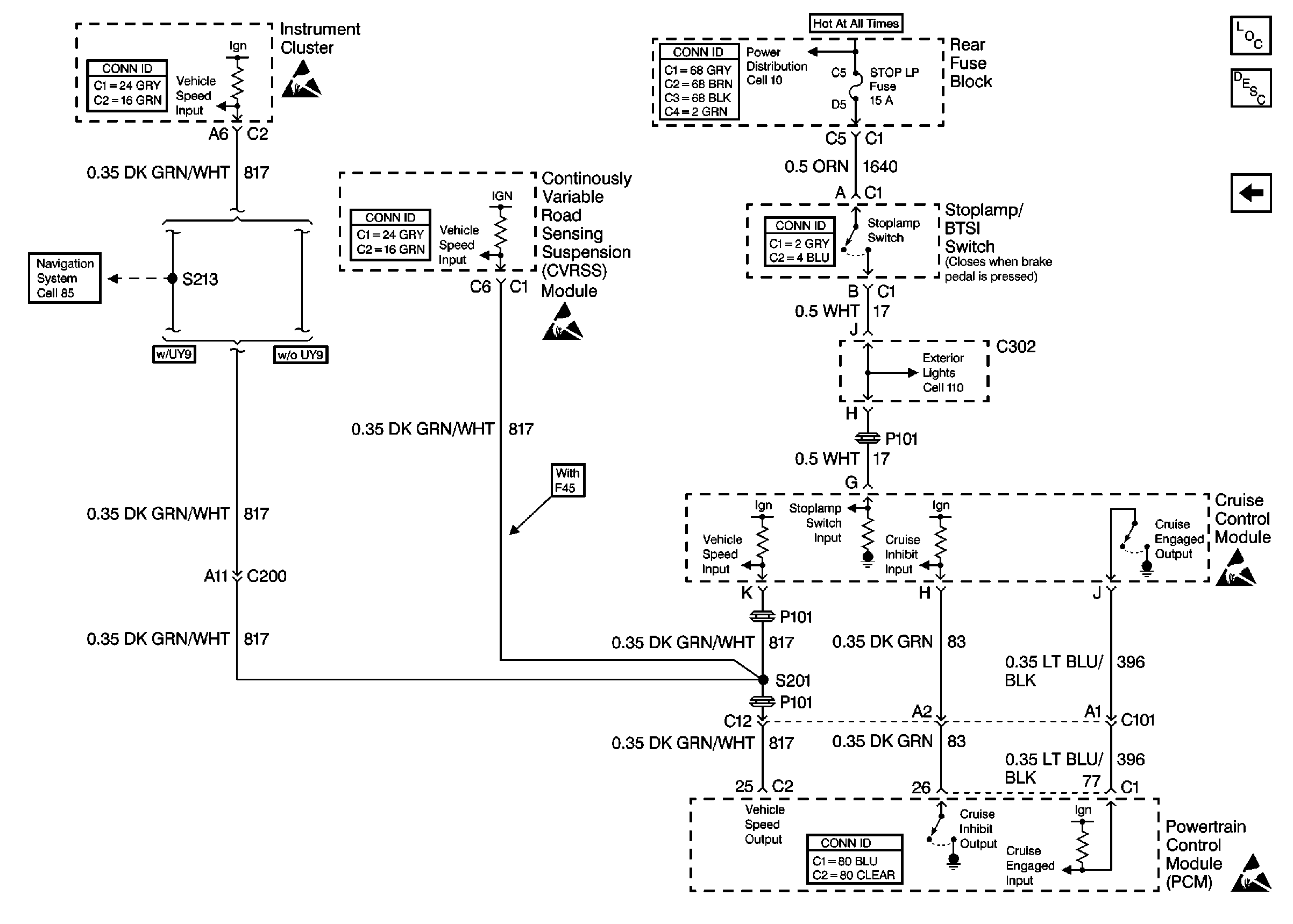
🢒 Cell 34: Cruise Control Module Inputs and Outputs
Cell 34: Cruise Control Module Inputs and Outputs
Cell 34: Cruise Control Module Inputs and Outputs
Cruise Control Components
Cruise Control System Circuit Description
Cell 34: Cruise Control Module Power and Ground
Handling ESD Sensitive Parts Notice
Powertrain Control Module Connector End Views
Power Distribution Schematics
Instrument Cluster: Analog Schematics
Handling ESD Sensitive Parts Notice
Handling ESD Sensitive Parts Notice
Exterior Lights Schematics Domestic
Instrument Panel, Gages, and Console Connector End Views
Handling ESD Sensitive Parts Notice