GM Service Manual Online
For 1990-2009 cars only
Makes
🢒
Cadillac
🢒
1999
🢒
Seville
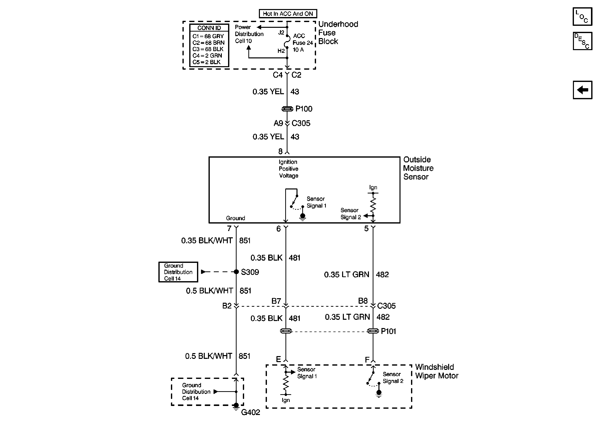
🢒 Cell 91: Outside Moisture Sensor (w/CE1)
Cell 91: Outside Moisture Sensor (w/CE1)
Cell 91: Outside Moisture Sensor (w/CE1)
Power Distribution Schematics
Ground Distribution Schematics
Ground Distribution Schematics
Wiper/Washer System Circuit Description
Wiper/Washer System Components
Cell 91: Power, Ground, and Components