GM Service Manual Online
For 1990-2009 cars only
Makes
🢒
Cadillac
🢒
1999
🢒
Seville
🢒 Cell 91: Power, Ground, and Components
Cell 91: Power, Ground, and Components
Cell 91: Power, Ground, and Components
Power Distribution Schematics
Handling ESD Sensitive Parts Notice
Ground Distribution Schematics
Ground Distribution Schematics
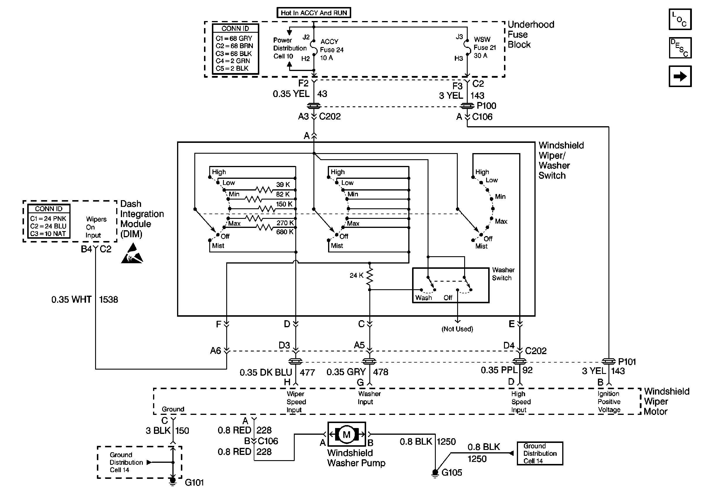
Wiper/Washer System Circuit Description
Wiper/Washer System Components
Cell 91: Outside Moisture Sensor (w/CE1)