GM Service Manual Online
For 1990-2009 cars only
Makes
🢒
Cadillac
🢒
1999
🢒
Seville
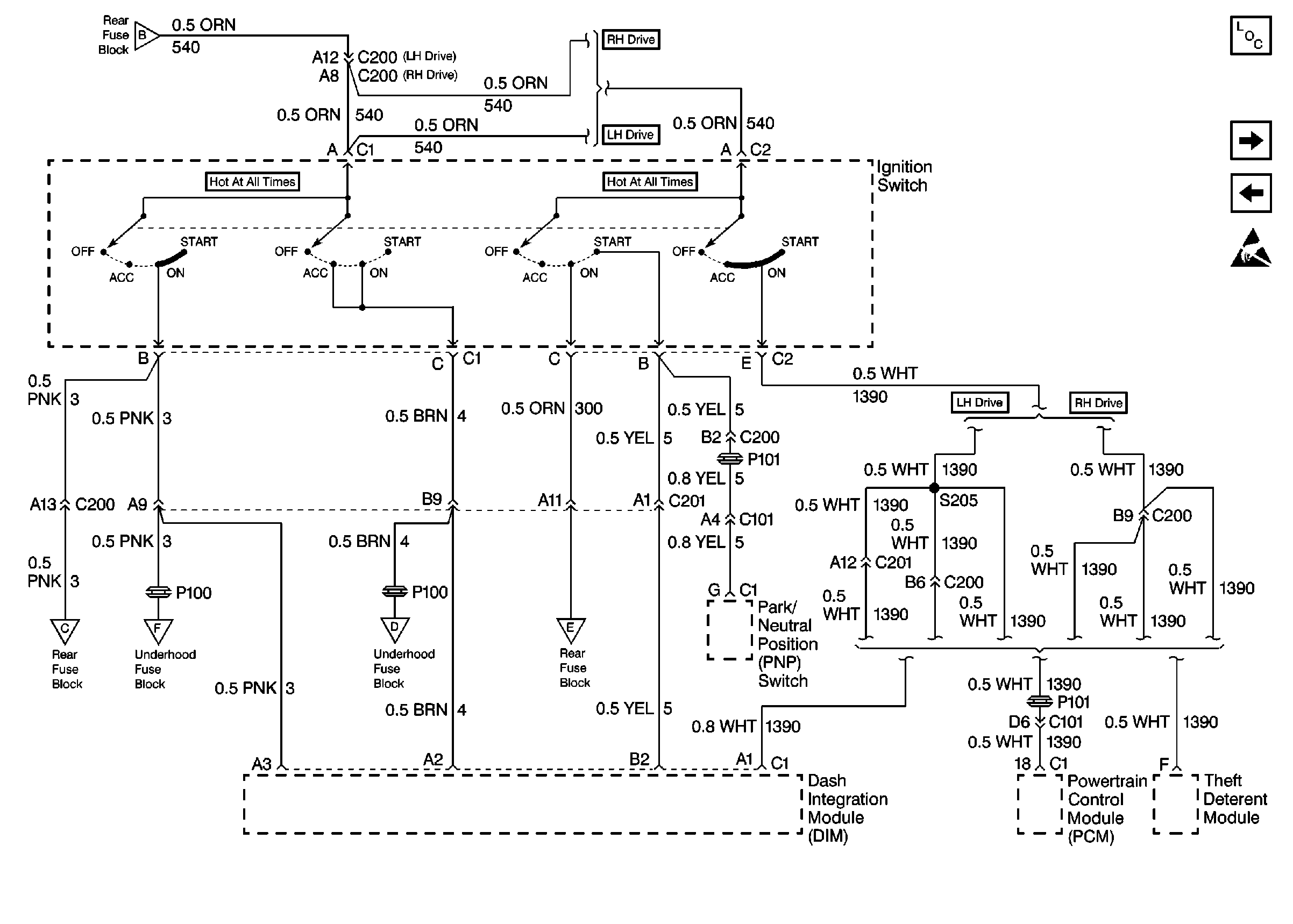
🢒 Cell 10: Ignition Switch
Cell 10: Ignition Switch
Cell 10: Ignition Switch
Cell 10: IGN, SW, HTDST LR, HTDST RR, and HTDST RF Fuses
Power and Grounding Components
Cell 10: IGN 1 Relay and SIR, VENT SOL, IGN1 Fuses
Cell 10: IGN, SW, HTDST LR, HTDST RR, and HTDST RF Fuses
Handling ESD Sensitive Parts Notice
Cell 10: IGN 1 Relay and SIR, VENT SOL, IGN1 Fuses
Cell 10: A/C CLU, FOG/DRL, INJR 1 and INJR 2 Fuses
Cell 10: START Circuit Breaker and ACC, WSW Fuses
Cell 10: IGN 3 Relay and HVAC, ABS Fuses