GM Service Manual Online
For 1990-2009 cars only
Makes
🢒
Cadillac
🢒
1999
🢒
Seville
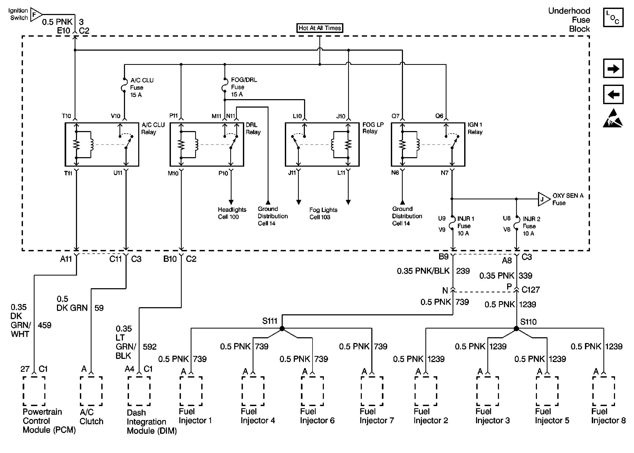
🢒 Cell 10: A/C CLU, FOG/DRL, INJR 1 and INJR 2 Fuses
Cell 10: A/C CLU, FOG/DRL, INJR 1 and INJR 2 Fuses
Cell 10: A/C CLU, FOG/DRL, INJR 1 and INJR 2 Fuses
Cell 10: Ignition Switch
Power and Grounding Components
Cell 10: AUX PWR, C/LTR, STOP LP, CIGAR and BLO Fuses
Cell 10: RR BLO, RR DEFOG, PRK BRK, ELC Fuses
Handling ESD Sensitive Parts Notice
Cell 10: OXYSENA, OXYSENB, DIS and CR CONT Fuses