GM Service Manual Online
For 1990-2009 cars only
Makes
🢒
Cadillac
🢒
1999
🢒
Seville
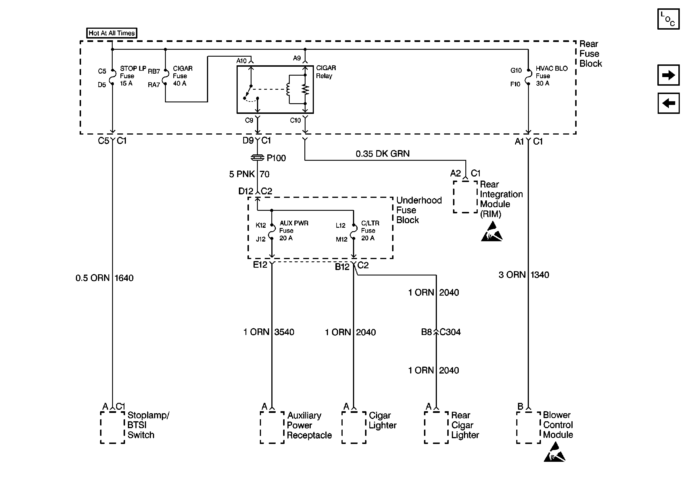
🢒 Cell 10: AUX PWR, C/LTR, STOP LP, CIGAR and BLO Fuses
Cell 10: AUX PWR, C/LTR, STOP LP, CIGAR and BLO Fuses
Cell 10: AUX PWR, C/LTR, STOP LP, CIGAR and BLO Fuses
Power and Grounding Components
Handling ESD Sensitive Parts Notice
Handling ESD Sensitive Parts Notice
Cell 10: MEM T/T PWWR T/T and TSIG/HAZ Fuses
Cell 10: A/C CLU, FOG/DRL, INJR 1 and INJR 2 Fuses