GM Service Manual Online
For 1990-2009 cars only
Makes
🢒
Cadillac
🢒
1999
🢒
Seville
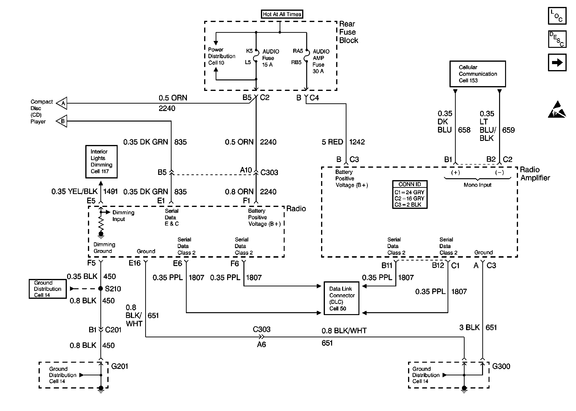
🢒 Cell 150: Power and Ground (w/UX8)
Cell 150: Power and Ground (w/UX8)
Cell 150: Power and Ground (w/UX8)
Entertainment Components
Radio/Audio System Circuit Description
Cell 150: Compact Disc (CD) Player (w/UX8)
Handling ESD Sensitive Parts Notice
Cell 150: Compact Disc (CD) Player (w/UX8)
Cell 10: AUDIO, AUDIO AMP and DIM Fuses
Cell 153: Handset and Radio Amplifier
Cell 50: Class Serial Data Line (1 of 2)
Cell 14: G300
Cell 14: G201 (2 of 3)
Cell 14: G201 (2 of 3)
Cell 117: Instrument Panel Dimming