GM Service Manual Online
For 1990-2009 cars only
Makes
🢒
Cadillac
🢒
1999
🢒
Seville
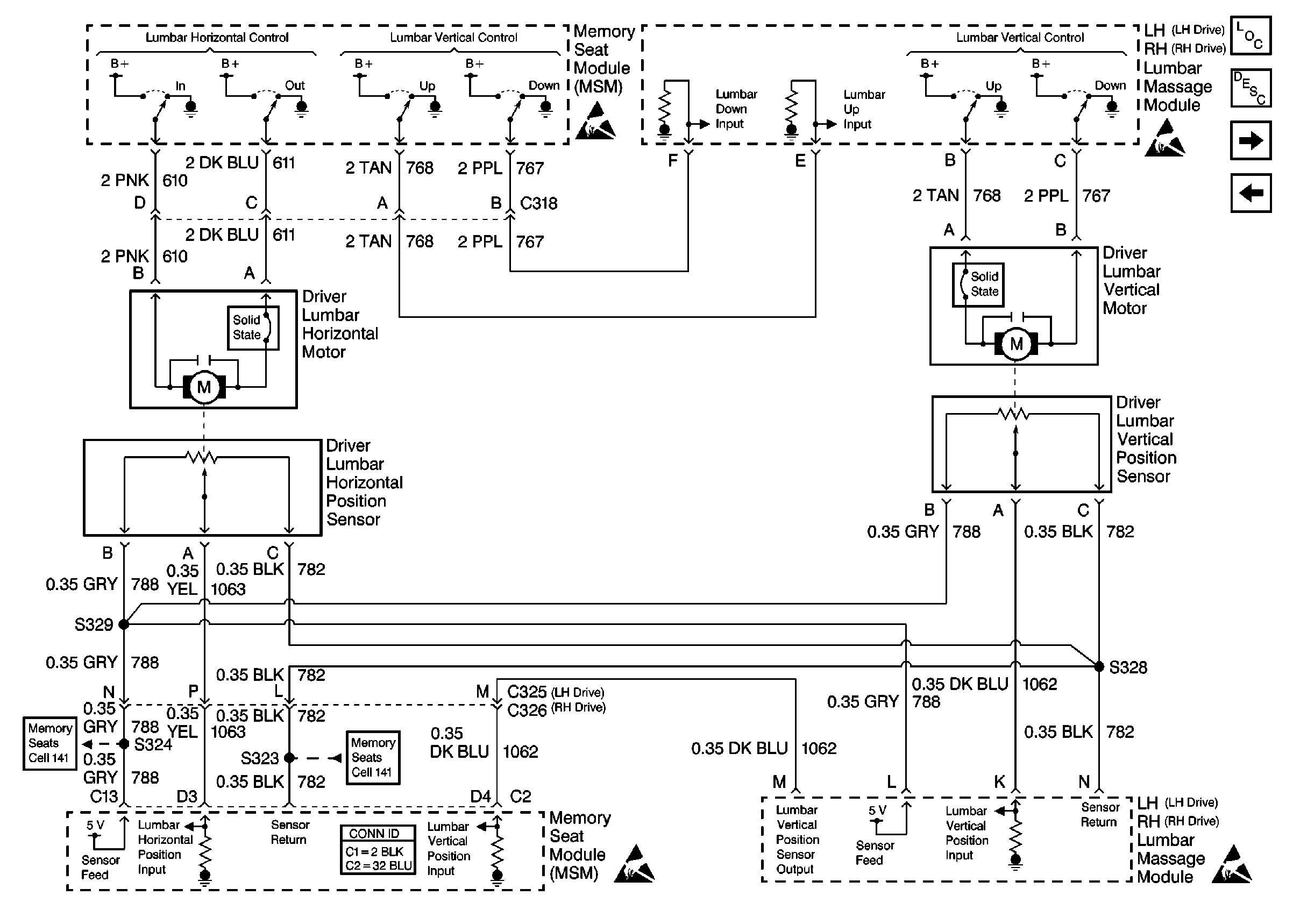
🢒 Cell 142: Driver Lumbar Motors and Position Sensors
Cell 142: Driver Lumbar Motors and Position Sensors
Cell 142: Driver Lumbar Motors and Position Sensors
Power Seat Systems Components
Power Lumbar Circuit Description AM3
Cell 142: Passenger Lumbar
Cell 142: PWR, GND, and Driver Lumbar Switch
Handling ESD Sensitive Parts Notice
Handling ESD Sensitive Parts Notice
Handling ESD Sensitive Parts Notice
Handling ESD Sensitive Parts Notice
Power Seat Connector End Views
Cell 141: Front Height, Rear Height, Forward/Back Motors and PositiOn Sensors
Cell 141: Front Height, Rear Height, Forward/Back Motors and PositiOn Sensors