GM Service Manual Online
For 1990-2009 cars only

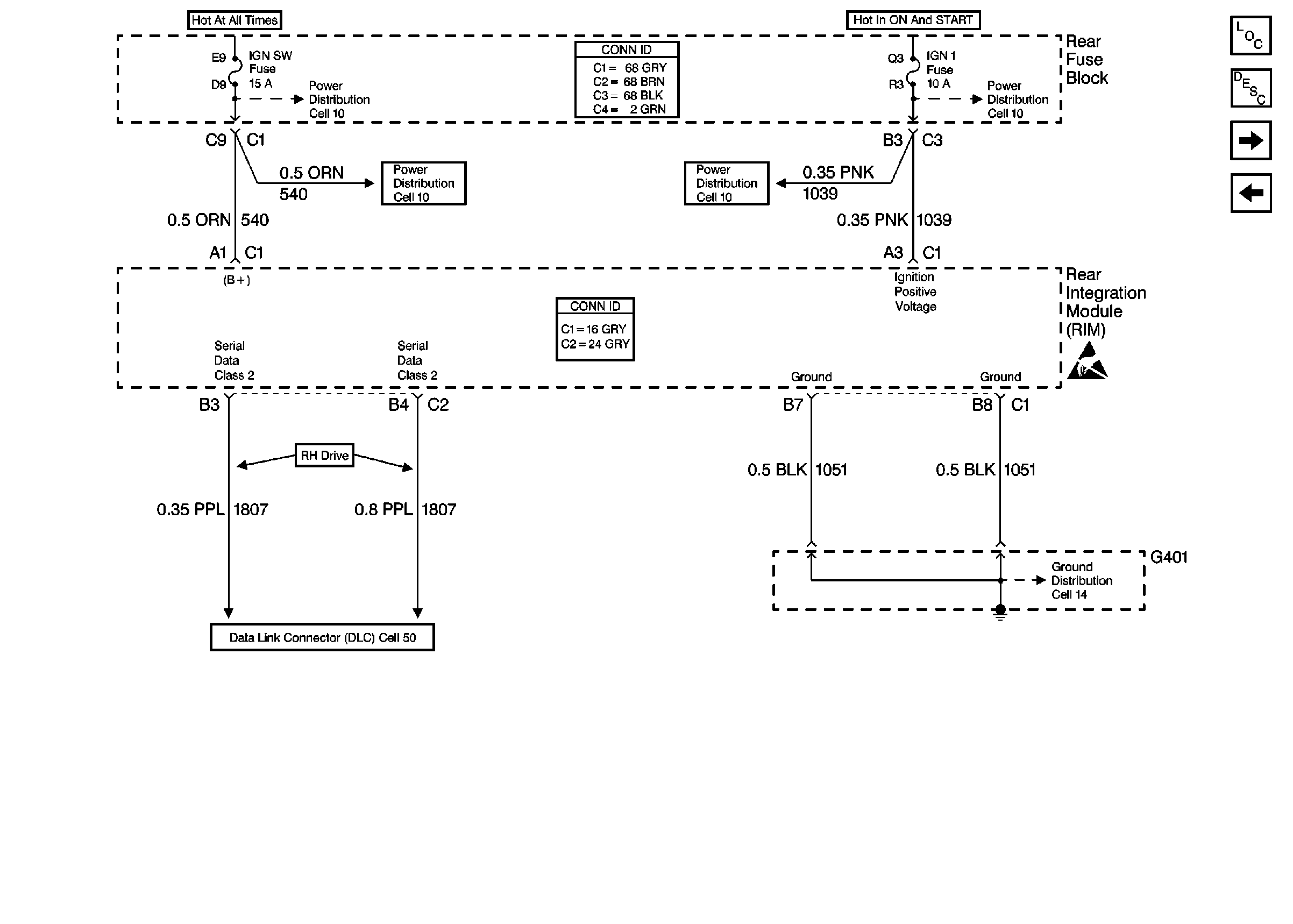
Refer to Body Control Module Schematics,

Cell 51: RIM Power and Ground


Object Number: 383477  Size: FS
Cell 10: IGN, SW, HTDST LR, HTDST RR, and HTDST RF Fuses
Cell 10: IGN 1 Relay and SIR, VENT SOL, IGN1 Fuses
Cell 50: Class 2 Serial Data Line (RH Drive)
Cell 14: G401 (1 of 3)
Cell 10: IGN 1 Relay and SIR, VENT SOL, IGN1 Fuses
Cell 10: IGN, SW, HTDST LR, HTDST RR, and HTDST RF Fuses
Handling ESD Sensitive Parts Notice
Body Control Module Components
Body Control System Circuit Description
Cell 51: RIM Inputs and Outputs (1 of 2)
Cell 51: IPM Inputs and Outputs (1 of 2)
.

Circuit Description

Battery positive voltage (B+) is supplied to the rear integration module (RIM) at connector C1 terminal A1, CKT 540 (ORN). The RIM monitors this voltage to determine if it is within a valid operating range.

Conditions for Setting the DTC

The battery positive voltage (B+) level falls below 9 volts for approximately 1.2 seconds or more.

Action Taken When the DTC Sets

    • The RIM stores DTC B1327 in the module memory.
    • The module does not respond to any inputs when DTC B1327 is current.
    • No driver warning message will be displayed for this DTC.
    • The module will not set DTCs when DTC B1327 is current.

Conditions for Clearing the DTC

    • A current DTC clears (status changes from current to history) if the battery positive voltage (B+) level rises above 9.5 volts for approximately 1.2 seconds.
    • A history DTC clears after 50 consecutive ignition cycles if the conditions for setting the DTC are no longer present.

Diagnostic Aids

The module will not check for low battery positive voltage (B+) during and for 2 seconds following the engine CRANK mode.

Step

Action

Value(s)

Yes

No

1

Was the Body Control Module Diagnostic System Check performed?

--

Go to Step 2

Go to Diagnostic System Check - Body Control System

2

  1. Turn ON the ignition switch.
  2. Clear the DTCs.
  3. Turn OFF the ignition switch.
  4. Turn ON the ignition switch, engine running.
  5. Check for DTCs.

Is the DTC still present?

--

Go to Step 4

Go to Step 3

3

Did more than one module have a battery voltage low DTC prior to clearing?

--

Go to Charging System Check in Engine Electrical

Go to Step 8

4

  1. Turn ON the ignition switch.
  2. Connect a scan tool to the data link connector (DLC).
  3. Select DATA from the DATA LIST of the module which set the DTC.

Is the battery voltage greater than the specified value?

9 V

Go to Step 6

Go to Step 5

5

  1. Turn OFF the ignition switch.
  2. Disconnect the rear integration module (RIM) connector C1.
  3. Measure the voltage between the RIM connector C1 terminal A1 (ORN) and ground.

Is the voltage greater than the specified value?

9 V

Go to Step 6

Go to Step 7

6

Replace the rear integration module (RIM).

Is the repair complete?

--

Go to Step 8

--

7

Repair the open or high resistance in CKT 540 (ORN).

Is the repair complete?

--

Go to Step 8

--

8

  1. Turn OFF the ignition switch.
  2. Reconnect or install any connectors or components that were disconnected or removed.
  3. Turn ON the ignition switch.
  4. Clear any DTCs.

Is the repair complete?

--

Go to Diagnostic System Check - Body Control System

--