GM Service Manual Online
For 1990-2009 cars only
Makes
🢒
Cadillac
🢒
2000
🢒
Seville
🢒 Class 2 Serial Data Line (LH Drive)
Class 2 Serial Data Line (LH Drive)
Class 2 Serial Data Line (LH Drive)
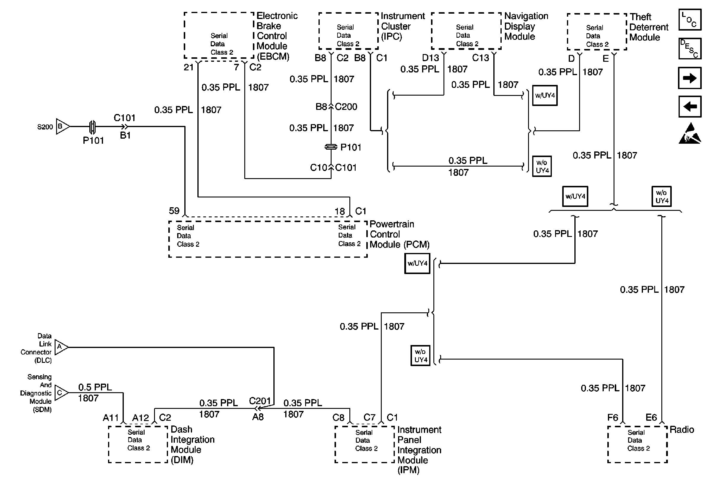
Data Link Communications Components
Data Link Communications Circuit Description
Class 2 Serial Data Line (LH Drive)
Data Link Connector Power and Ground (LH Drive)
Handling ESD Sensitive Parts Notice
Class 2 Serial Data Line (LH Drive)
SIR Handling Caution
Data Link Connector Power and Ground (RH Drive)
Class 2 Serial Data Line (LH Drive)