GM Service Manual Online
For 1990-2009 cars only
Makes
🢒
Cadillac
🢒
2000
🢒
Seville
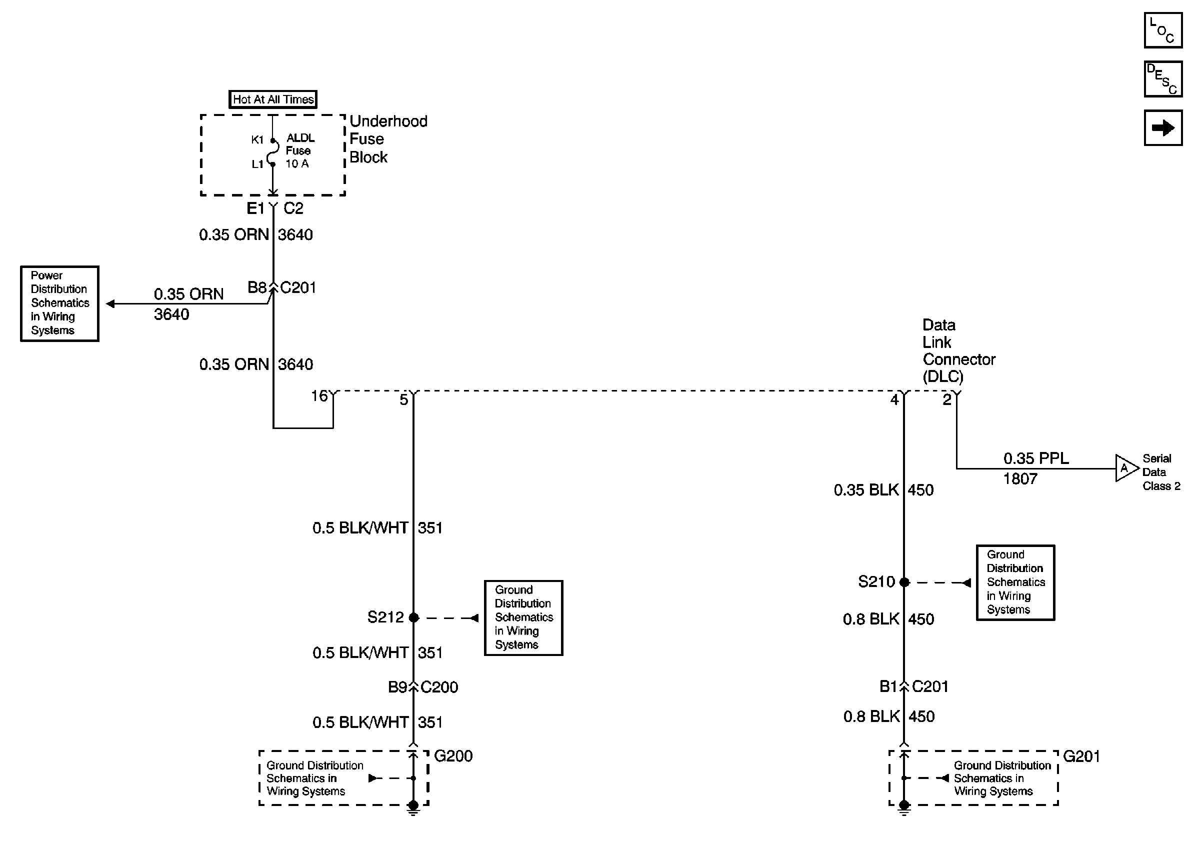
🢒 Data Link Connector Power and Ground (LH Drive)
Data Link Connector Power and Ground (LH Drive)
Data Link Connector Power and Ground (LH Drive)
Data Link Communications Components
Data Link Communications Circuit Description
Class 2 Serial Data Line (LH Drive)
DRV MDL, PASS MDL, RRDR MDL and DLC Fuses
G200 1 of 2
G200 1 of 2
G201
G201
Class 2 Serial Data Line (LH Drive)