GM Service Manual Online
For 1990-2009 cars only
Makes
🢒
Cadillac
🢒
2000
🢒
Seville
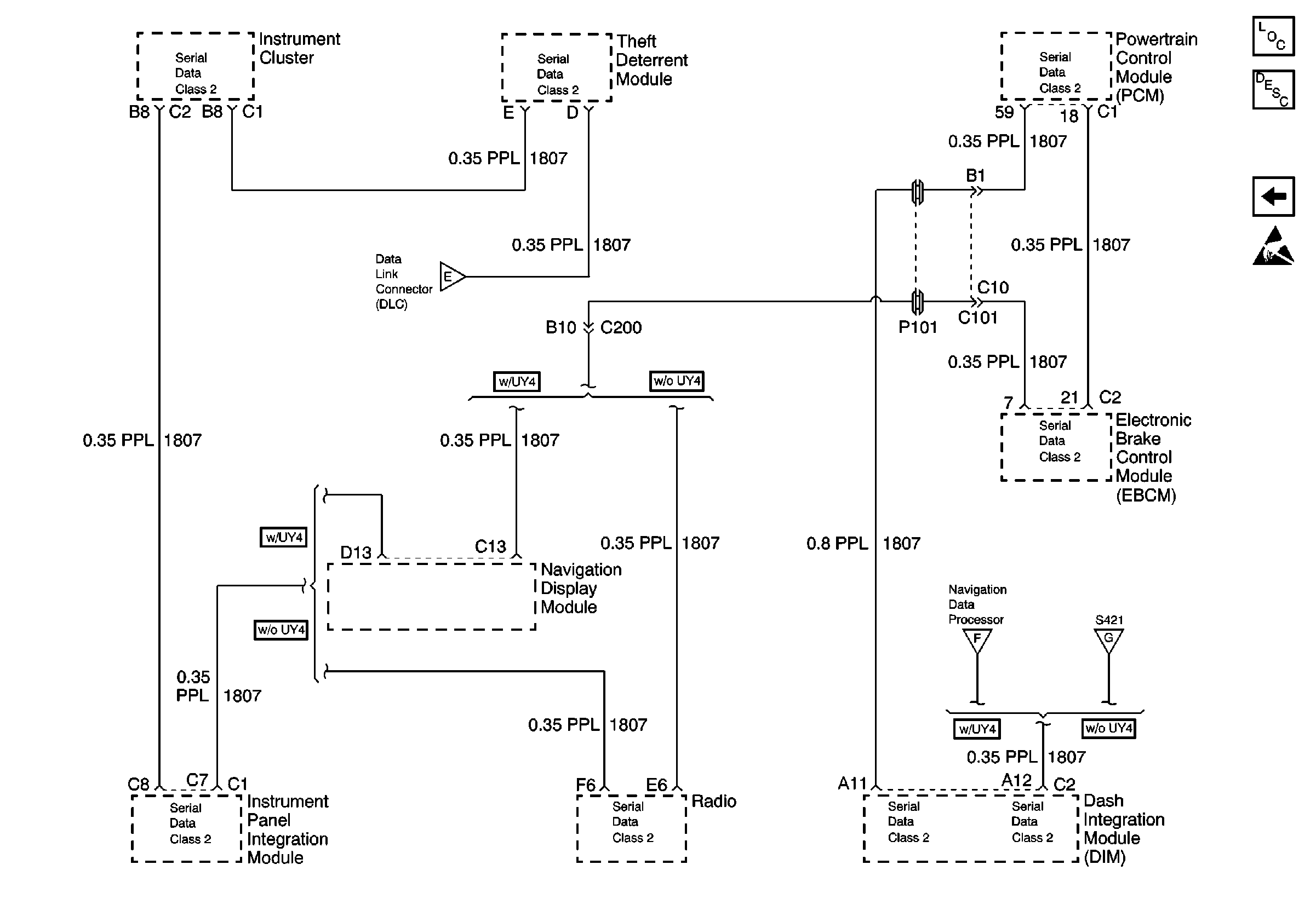
🢒 Class 2 Serial Data Line (RH Drive)
Class 2 Serial Data Line (RH Drive)
Class 2 Seerial Data Line (RH Drive)
Data Link Communications Components
Data Link Communications Circuit Description
Simple Bus Interface (SBI)
Class 2 Serial Data Line (RH Drive)
Handling ESD Sensitive Parts Notice
SIR Handling Caution
Class 2 Serial Data Line (RH Drive)
Class 2 Serial Data Line (RH Drive)