GM Service Manual Online
For 1990-2009 cars only
Makes
🢒
Cadillac
🢒
2000
🢒
Seville
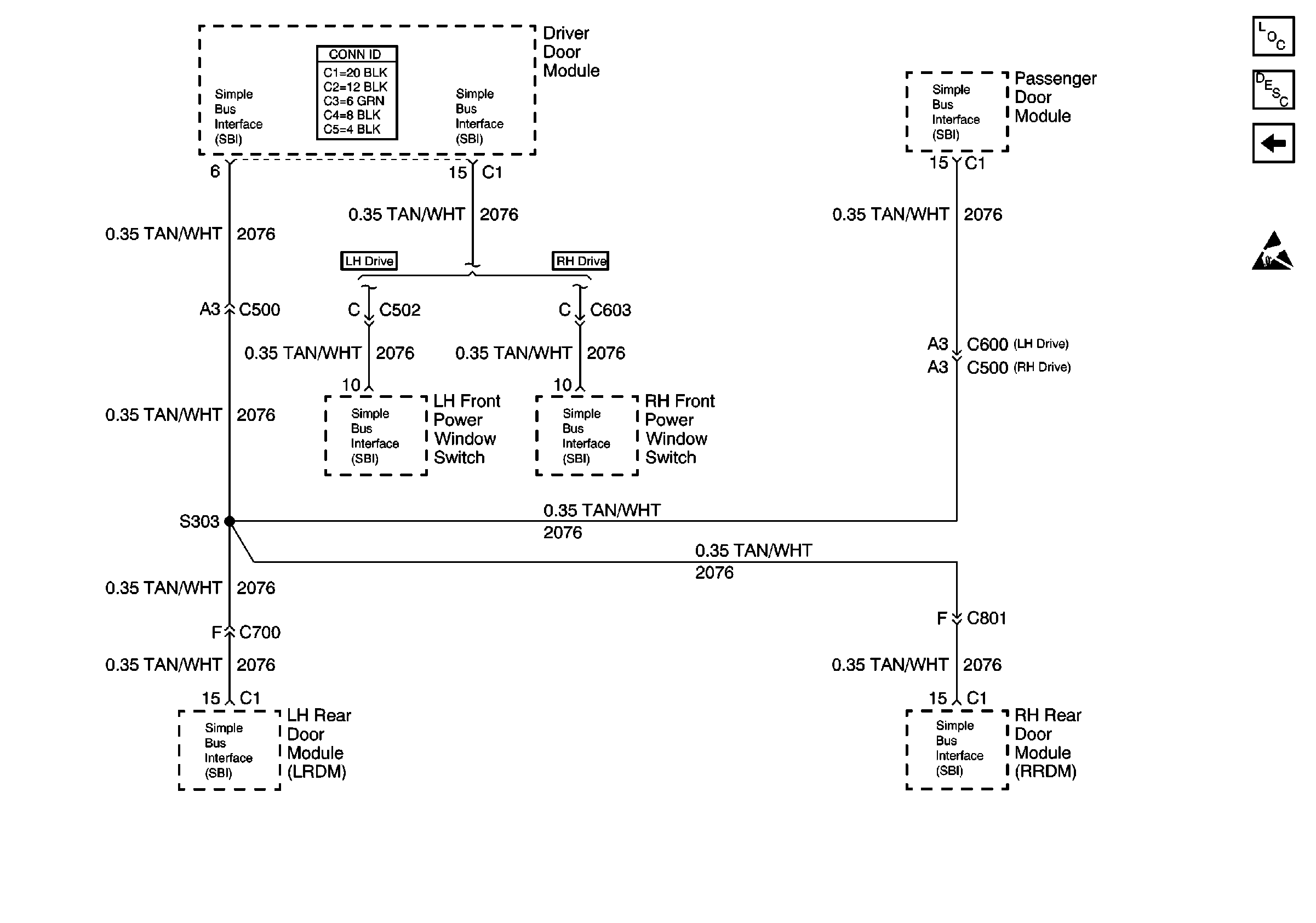
🢒 SBI
SBI
SBI
Power Door Systems Components
Automatic Door Lock System Description
RRDM Power, Ground, Inputs, and Outputs
Handling ESD Sensitive Parts Notice