GM Service Manual Online
For 1990-2009 cars only
Makes
🢒
Cadillac
🢒
2000
🢒
Seville
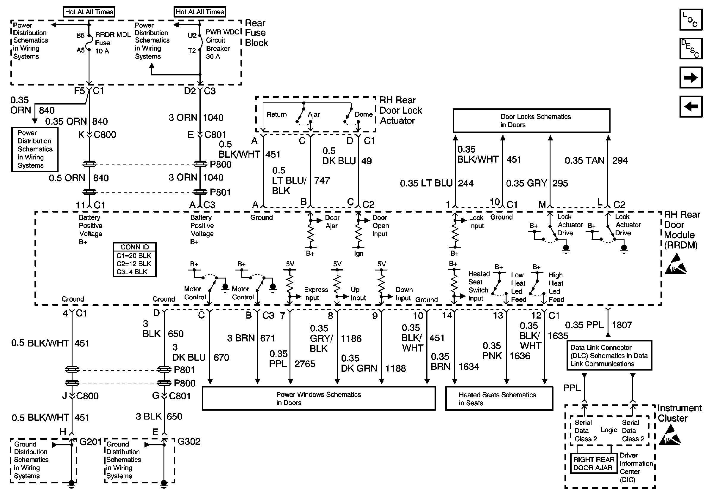
🢒 RRDM Power, Ground, Inputs, and Outputs
RRDM Power, Ground, Inputs, and Outputs
RRDM Power, Ground, Inputs, and Outputs
Power Door Systems Components
Automatic Door Lock System Description
SBI
LRDM Power, Ground, Inputs, and Outputs
Handling ESD Sensitive Parts Notice
DRV MDL, PASS MDL, RRDR MDL and DLC Fuses
DRV MDL, PASS MDL, RRDR MDL and DLC Fuses
PWR WDO Circuit Breaker
DDM, LH Actuator, LR Switch and LR Actuator
RH Power Window
Rear Heated Seat Switches
G201 (Partial)
G302 1 of 2