GM Service Manual Online
For 1990-2009 cars only
Makes
🢒
Cadillac
🢒
2000
🢒
Seville
🢒 Front
Front
Front
HVAC Components
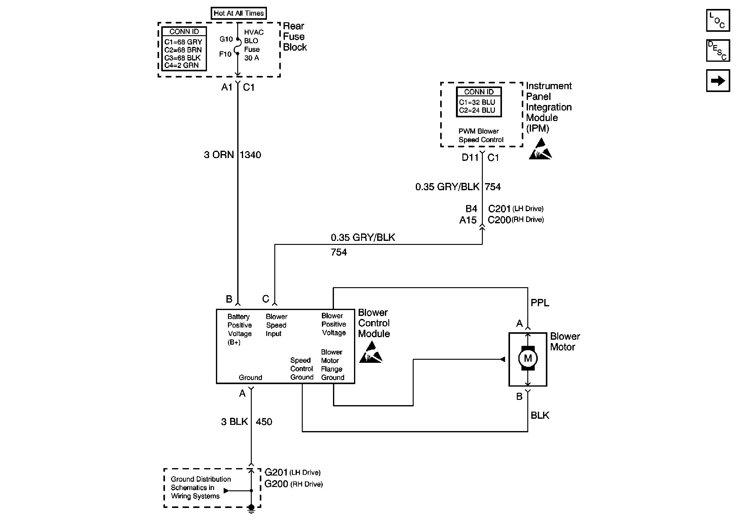
HVAC Blower Controls Circuit Description
Rear
Handling ESD Sensitive Parts Notice
Handling ESD Sensitive Parts Notice
G200 1 of 2