GM Service Manual Online
For 1990-2009 cars only
Makes
🢒
Cadillac
🢒
2000
🢒
Seville
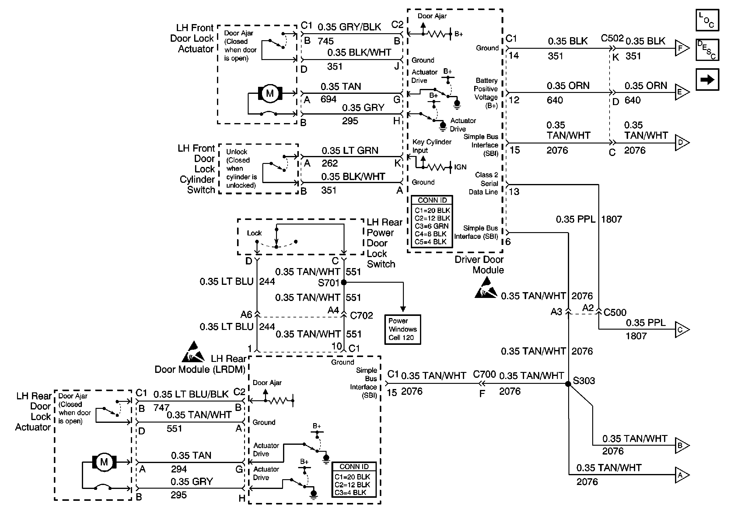
🢒 DDM, LH Actuator, LR Switch and LR Actuator
DDM, LH Actuator, LR Switch and LR Actuator
DDM, LH Actuator, LR Switch and LR Actuator
Power Door Systems Components
Power Windows Circuit Description
PDM, RF AND RR Actuators and Switches
PDM, RF AND RR Actuators and Switches
PDM, RF AND RR Actuators and Switches
PDM, RF AND RR Actuators and Switches
PDM, RF AND RR Actuators and Switches
PDM, RF AND RR Actuators and Switches
PDM, RF AND RR Actuators and Switches
PDM, RF AND RR Actuators and Switches
Handling ESD Sensitive Parts Notice
Handling ESD Sensitive Parts Notice
LH Power Windows