GM Service Manual Online
For 1990-2009 cars only
Makes
🢒
Cadillac
🢒
2000
🢒
Seville
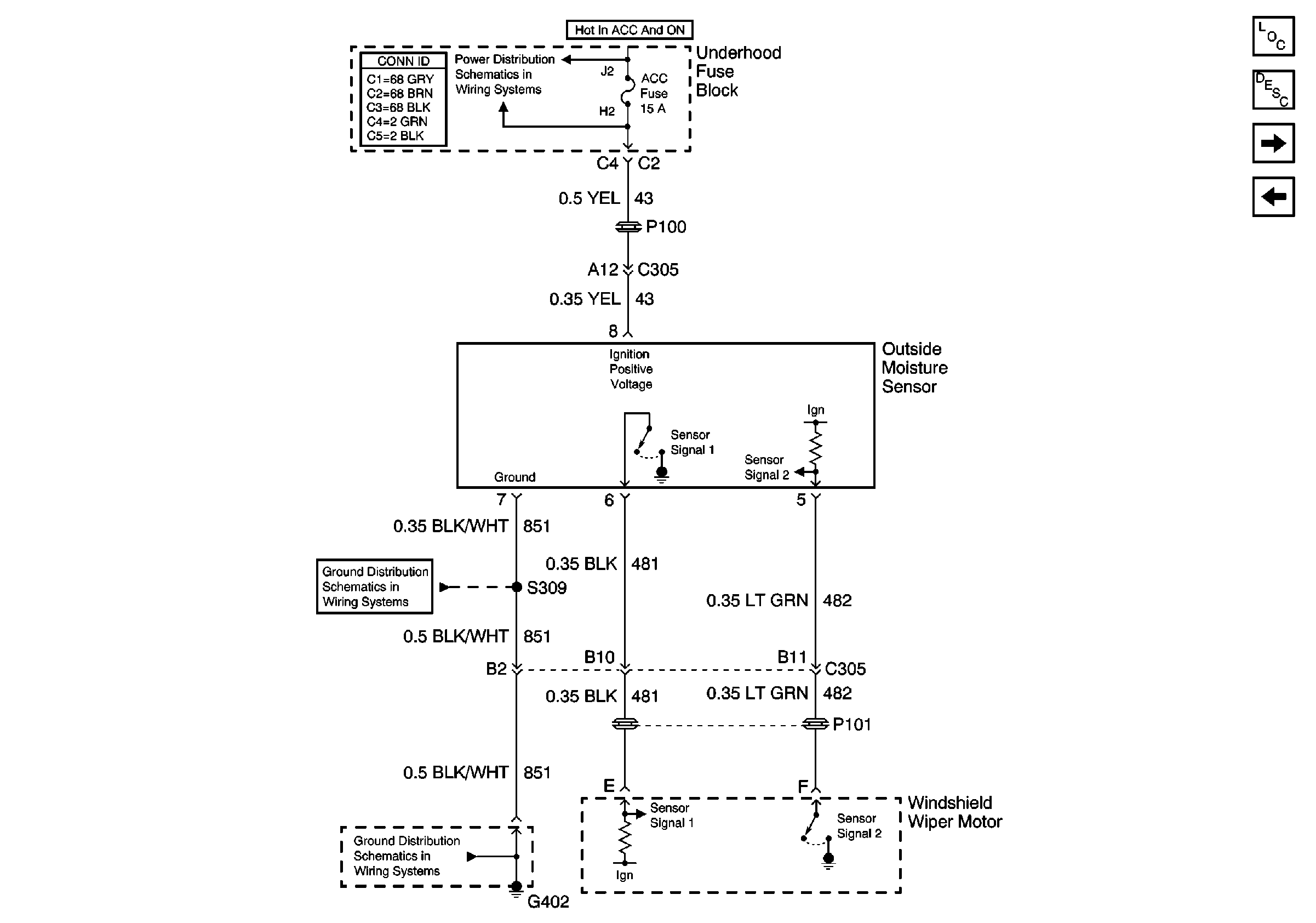
🢒 Wiper System w/ CE1
Wiper System w/ CE1
Wiper System w/ CE1
Wiper/Washer System Components
Wiper/Washer System Circuit Description
Start Circuit Breaker and ACC, WSW Fuses
Washer Solvent Level Switch
Power, Ground, and Components
G402 1 of 2
G402 1 of 2